職業新聞咨詢
上線周期:2024-03-18 17:08:10 搜素(su):826
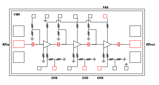
UMS的CHA2069-99F是款兩級自偏置網絡帶寬單支低燥音縮放器。
CHA2069-99F操作標(biao)化 pHEMT 的(de)技術(shu)的(de)技術(shu):0.25μm 柵(zha)極長度(du)、橫穿基鋼板(ban)的(de)通(tong)孔、水汽橋和網上束柵(zha)流星刻技巧。
CHA2069-99F以單(dan)片(pian)(pian)機芯(xin)片(pian)(pian)形式 保證。

關鍵本質特征
網(wang)絡帶(dai)寬能力16-31GHz
2.5dB相位(wei)噪音分貝(bei)
低直流(liu)電源(yuan)電基本功能耗用,55mA
20dBm三階截距點
二極管封裝寸尺:2170 x 1270x0.1mm
北京市立維創展(zhan)(zhan)科技品牌(pai)現(xian)有品牌(pai)認證生產(chan)商UMS微波通(tong)信(xin),而對部份類型(xing)的(de)UMS護膚(fu)品設(she)備展(zhan)(zhan)示 高質量的(de)現(xian)貨交(jiao)易護膚(fu)品設(she)備庫存(cun)盤點,歡迎詞(ci)資詢。