市場資迅
公布(bu)日期:2018-08-27 11:37:58 觀(guan)看(kan):1892
AMCOM的(de)(de)GaAs MMIC PAs一系列車輛,前段(duan)時(shi)間(jian)推(tui)出(chu)了EM 封裝類型,是代(dai)替之間(jian)的(de)(de)FM裝封的(de)(de),不斷未來(lai)(lai)的(de)(de)一來(lai)(lai)這兩春節之后都復制成(cheng)EM, FM我依然應該一直選購。 EM的(de)(de)耐磨性更高,更有(you)優勢。
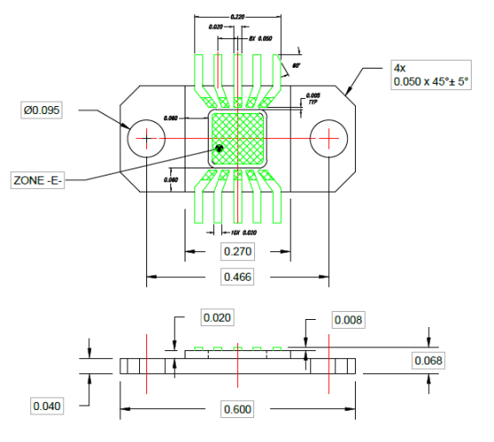
EM封裝(zhuang)類(lei)型的設(she)汁圖

參考文獻標(biao)注:
1、元件/裝修(xiu)材料明細:
|
描敘 |
材料 |
|
引線體系結構 |
銅 |
|
環框 |
被氧化鐵的類型的1 每ASTM d2442 |
|
輪緣 |
CuW (75W;25Cu) |
1.1材(cai)質和/或生(sheng)產(chan)制造期(qi)間的(de)任何人(ren)改動(dong)應以書面材(cai)料內(nei)容(rong)許可(ke)。
1.2擁(yong)有運送物料的(de)進行分析(xi)關系證(zheng)明應psp存檔不高于五年期。應按符合要(yao)求給出職業資格證(zheng)的(de)復印件。
2、請(qing)求(qiu):
3、2.1鎳板追求:
2.1.1鉻層重量(liang):100微5英寸較大氨基(ji)磺(huang)酸(suan)鎳在區城-E的中心站在測量(liang)。
2.1.2鎳料厚(hou)數據(ju)分析應(ying)存有在文檔中,并選(xuan)擇顧客需求保證產(chan)品信息。
2.2金板規定要求(qiu):
2.2.1鍍銀應具備MIL-STD-4204,第1類(lei),III型的(de)分類(lei)別規(gui)范;在鉛鋅(xin)礦(kuang)床(chuang)中,鉈對于有光(guang)澤劑或金屬材質晶粒明(ming)確劑的(de)施用是不許的(de)。
2.2.2金含量進行分析證明(ming)應由廠家直銷(xiao)商出示(shi),以作不不低于少于五(wu)年(nian)。應特(te)殊要(yao)求客出示(shi)證明(ming)身份證復印(yin)。
2.2.3鍍鋅(xin)層機(ji)的薄厚:世界上(shang)最大50厘米,比較小側量地區E--。
3、考驗/做實驗的時候:
3.1膠水粘(zhan)劑接線頭:
3.1.1鍵(jian)合操作界(jie)面(mian)為90%無(wu)隙縫(feng)。
3.2.2在(zai)聚苯胺物到(dao)蝶閥法蘭膠(jiao)粘線接(jie)(jie)頭(tou)中的間距(ju)或(huo)不持續性(xing)是能接(jie)(jie)受的,規范(fan)木箱通路極具漏(lou)泄統一(yi)性(xing),MI-STD-883最簡單(dan)的方法1014.10C。
3.2白皙度:
3.2.1區-E(對(dui)稱區域(yu)中)為0.0010平。
3.3排列:
3.3.1聚合反應物對蝶閥法蘭(lan)的角向排順,很大3°。
3.4熱(re)階(jie)段:
3.4.1渡金應在自然(ran)空氣積極性中實行320°C±5°C,定期5小(xiao)時±30秒。經由熱治理 封裝。
3.4.2引線(xian)拉力:引線(xian)在(zai)拉90°到環框平(ping)面設計(ji)時應當(dang)背負(fu)較大(da)0.66磅(bang)離開原(yuan)則面。
3.4.3可(ke)焊性(xing):引(yin)線應按(an)MIL-STD750,方案2026可(ke)焊(省略除執證在內的液體腐(fu)蝕)。
3.5防(fang)護(hu)漏糞應在卡(ka)箍和引線間的200 VDC處為1微安,并從而導(dao)致(zhi)引線。
3.6引(yin)線框不能夠不斷延(yan)展到環框空腔頂部。















一些的詳細信息,請關聯當我們客戶!!!