產業新聞咨詢
發(fa)布(bu)信息(xi)事件:2023-07-18 16:52:09 搜素:1476
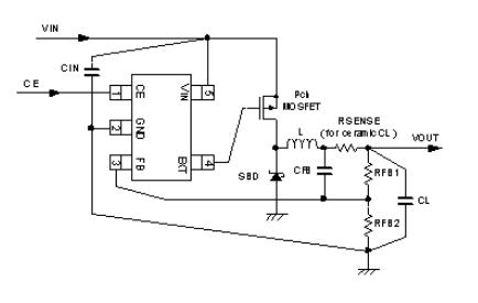
TOREX控住器XC9220產品系列是多系統穩壓DC/DC調節器IC。給XC9220類別操作器間接搭載1種旋鈕元件,1種工作電壓電感,1種五級管和兩電感就行才能得到1種高效應率,相對的穩定可靠的,輸入輸出電流量高至3A的按鈕供電。XC9220一系列設定器能實用低ESR電感諸如工業陶瓷電感可作它的的輸出電感。
XC9220類(lei)別抑制器(qi)擁有0.9V(±1.5%)依(yi)據端(duan)電(dian)流電(dian)壓(ya),分為(wei)外置(zhi)分電(dian)容式阻就能(neng)夠 自由使用(yong)傷害端(duan)電(dian)流電(dian)壓(ya)。幀率(lv)位置(zhi)為(wei)300kHz,500kHz和1MHz,能(neng)使用(yong)的里的型(xing)第三方元器(qi)材(cai)。對(dui)于(yu)那些(xie)軟運行用(yong)時,XC9220A和C國產(chan)是內層設為(wei)為(wei)4ms,XC9220B和D品(pin)類(lei)能(neng)在外表設有。XC9220類(lei)別操(cao)作器(qi)遵循原帶UVLO(欠壓(ya)鎖(suo)閉)特性(xing),當(dang)錄入工(gong)作電(dian)壓(ya)減(jian)少為(wei)2.3V或較(jiao)低的問(wen)題(ti)下, 外部(bu)P橫截按鈕開關元器(qi)件封裝會被禁止性(xing)關閉。

特征描述
操作交流(liu)電壓范圍內:2.8V~16.0V
的輸出(chu)交(jiao)流電壓外表安裝(zhuang):0.9V(精密度(du)單位±1.5V)
頻率使用范圍:300k,500k,1.0MHz
控制方式:PWM操縱
帶軟(ruan)開始(shi)耐腐蝕性:里(li)面設置4ms(TypeA500kHz),靜(jing)態如何設置(TypeB)
養(yang)護控制電(dian)路(lu):積(ji)分規(gui)則養(yang)護1.0ms(A,B類型、),不(bu)導通養(yang)護
低ESR濾波電容器(qi):工業陶(tao)瓷濾波電容器(qi)
TOREX半導體行業(ye)主要帶來了COMS、感測器器、穩(wen)壓管等(deng)元(yuan)元(yuan)件,好產品(pin)以小量、功效優勝而最(zui)有名(ming)氣的(de)。
蘇州市立維創展創新科技不足集團公司,優(you)質渠道分(fen)銷(xiao)TOREX電源模塊配件,過多現貨(huo)交易存量,熱情接待聯合(he)。
詳細情況分析TOREX請點一下://anchor-appliance.cn/brand/62.html
型號 | Type | Output Voltage | Oscillation Frequency | Packages |
XC9220A093ER-G | Soft-start internally set with integral protection function | FB type | 300kHz | USP-6C |
XC9220A093MR-G | Soft-start internally set with integral protection function | FB type | 300kHz | SOT-25 |
XC9220A095ER-G | Soft-start internally set with integral protection function | FB type | 500kHz | USP-6C |
XC9220A095MR-G | Soft-start internally set with integral protection function | FB type | 500kHz | SOT-25 |
XC9220A09AER-G | Soft-start internally set with integral protection function | FB type | 1.0MHz | USP-6C |
XC9220A09AMR-G | Soft-start internally set with integral protection function | FB type | 1.0MHz | SOT-25 |
XC9220B093ER-G | Soft-start externally set with integral protection function | FB type | 300kHz | USP-6C |
XC9220B093MR-G | Soft-start externally set with integral protection function | FB type | 300kHz | SOT-25 |
XC9220B095ER-G | Soft-start externally set with integral protection function | FB type | 500kHz | USP-6C |
XC9220B095MR-G | Soft-start externally set with integral protection function | FB type | 500kHz | SOT-25 |
XC9220B09AER-G | Soft-start externally set with integral protection function | FB type | 1.0MHz | USP-6C |
XC9220B09AMR-G | Soft-start externally set with integral protection function | FB type | 1.0MHz | SOT-25 |
XC9220C093ER-G | Soft-start internally set without integral protection function | FB type | 300kHz | USP-6C |
XC9220C093MR-G | Soft-start internally set without integral protection function | FB type | 300kHz | SOT-25 |
XC9220C095ER-G | Soft-start internally set without integral protection function | FB type | 500kHz | USP-6C |
XC9220C095MR-G | Soft-start internally set without integral protection function | FB type | 500kHz | SOT-25 |
XC9220C09AER-G | Soft-start internally set without integral protection function | FB type | 1.0MHz | USP-6C |
XC9220C09AMR-G | Soft-start internally set without integral protection function | FB type | 1.0MHz | SOT-25 |
XC9220D093ER-G | Soft-start externally set without integral protection function | FB type | 300kHz | USP-6C |
XC9220D093MR-G | Soft-start externally set without integral protection function | FB type | 300kHz | SOT-25 |
XC9220D095ER-G | Soft-start externally set without integral protection function | FB type | 500kHz | USP-6C |
XC9220D095MR-G | Soft-start externally set without integral protection function | FB type | 500kHz | SOT-25 |
XC9220D09AER-G | Soft-start externally set without integral protection function | FB type | 1.0MHz | USP-6C |
XC9220D09AMR-G | Soft-start externally set without integral protection function | FB type | 1.0MHz | SOT-25 |