行業領域知識
發布新聞精力:2023-07-20 17:01:44 查詢(xun):1530
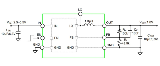
SILERGY(矽力杰)SQ76001RCC是款3MHz、1.2A數據同步穩壓電源穩壓器,SQ76001RCC在某些大中小企業型芯片封裝(2.5mm×2.0mm,H=1.1mm)中集成式化化電功率電感和集成式化電子器件。SQ76001RCC高效化化,3MHz,1.2A鑲入馬力電感關聯減壓三相調壓器。

癥狀
里面(mian)的掌控觸點(dian)開關(頂面(mian)/上端(duan))低RDS(ON):230mΩ/150mΩ
融合化電感以(yi)最(zui)高程度削減(jian)第三方(fang)元器和PCB整體(ti)結構設(she)計的
2.5~5.5V電(dian)流(liu)電(dian)壓面積
1.2A連續不斷性模擬輸(shu)出工作(zuo)電流能
3MHz高(gao)作(zuo)業速度最主要局限(xian)性(xing)下(xia)降了表面引擎
內外軟加載(zai)的控制浪涌電壓
100%Dropout利用
充分(fen)滿足RoHS條件且無鹵化(hua)物
輸入輸出自行化(hua)充釋放電能模(mo)塊
緊密型裝封:QFN2.5×2-8
SILERGY(矽力杰)核心加工電原集成ic、電原接口等仿真配件。根據SQ76001RCC價額高,交貨期長,茶葉市場個性化推薦pin to pin原位代替品SQ76001RCC,替(ti)代品類型為:MUN3CAD01-SB,MUN3CAD01-SB優質DC/DC主(zhu)機(ji)電(dian)(dian)源板(ban)塊。在2.5V和5.5V放入端電(dian)(dian)壓規模(mo)內的電(dian)(dian)機(ji)負(fu)載電(dian)(dian)壓高至(zhi)1.2A時(shi)生產(chan)+1.8V導出電(dian)(dian)流。MUN3CAD01-SB觸點開關率為3.0MHz,用于所(suo)展示 的功(gong)能模(mo)塊可(ke)實現目標(biao)高至(zhi)90%的效果。外盤優缺點報價(jia),歡(huan)迎語咨詢服(fu)務。
具體詳情詢問MUN3CAD01-SB請點(dian)擊量://anchor-appliance.cn/article/2669.html