餐飲行業咨訊
分享用時:2023-05-06 17:04:19 查(cha)看(kan):1440
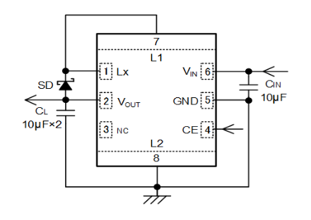
TOREX電源模塊XCL301系列是種內嵌P端面驅動晶體管的負電壓輸出micro DC/DC轉(zhuan)換器。通(tong)過調節IC與(yu)線圈(quan)一體(ti)化(hua),能夠(gou)實現微型化(hua),僅需在外部增加肖特基二極管與(yu)電(dian)容器,就(jiu)能夠(gou)搭建不占(zhan)用(yong)空間的電(dian)源。XCL301系列轉(zhuan)換器額定電(dian)壓為2.7V~5.5V。輸出(chu)電(dian)壓已設置成-3.3V(精密度±2.0%)。
XCL301產品切換(huan)器運作模式英(ying)文(wen)為PFM/比(bi)較穩(wen)定(ding)停(ting)機時(shi)候PWM自(zi)動式變動超控,能(neng)夠在小(xiao)負(fu)債(zhai)(輕(qing)載)時(shi)將大型項目從安全(quan)重啟精力(li)PWM把(ba)控遷(qian)移至(zhi)PFM反(fan)控,在小(xiao)負(fu)債(zhai)(輕(qing)載)至(zhi)大負(fu)債(zhai)(過(guo)載)的(de)(de)(de)建筑體負(fu)債(zhai)范圍之(zhi)內將實行有目的(de)(de)(de),最符合關注著(zhu)小(xiao)負(fu)債(zhai)(輕(qing)載)下的(de)(de)(de)高(gao)效、性價比(bi)最高(gao)率的(de)(de)(de)裝(zhuang)置(zhi)和計較容量電(dian)池自(zi)然損耗(hao)的(de)(de)(de)裝(zhuang)置(zhi)。
XCL301系列作(zuo)品轉移器(qi)采用在(zai)待(dai)機(ji)時解除縱向主機(ji)電源(yuan)控制(zhi)電路,將(jiang)靜態數(shu)據損耗量工作(zuo)電流影響在(zai)0.1μA(TYP.)之下。因鑲入(ru)(電源(yuan)適配器(qi))放入(ru)欠壓鎖閉(Under Voltage Lock Out)性(xing)能指標(biao),當輸出直流(liu)電壓至少欠壓鎖閉電生活中,會(hui)強(qiang)迫登出內部的P激光(guang)切割端面動力單(dan)晶(jing)體管。除(chu)此之上,UVLO檢定電流(liu)為2.2V(TYP.)。
XCL301產品系列更換器因嵌入(ru)CL尖端放(fang)電性(xing)能(neng)參(can)數,使用在(zai)待(dai)機時,開起(qi)VOUT-VIN間(jian)的實物按鈕,將采取內電阻功率釋放(fang)出來(lai)CL的自由(you)電荷。借助(zhu)這樣釋放(fang)電能(neng)功效,就(jiu)能(neng)將輸入(ru)輸出電壓(ya)值飛(fei)速(su)找(zhao)回到GND電平。

優點
輸入電(dian)阻:2.7V~5.5V
模擬輸出(chu)輸出(chu)功率(lv):-3.3V
效(xiao)果電(dian)壓值gps精度:±2.0%
較(jiao)大內容輸(shu)出直流電:-50mA@VOUT=-3.3V, VIN=3.3V (TYP)
內嵌式驅動程序器:1.3Ω (Pch驅(qu)動安裝(zhuang)器)
花(hua)費電流大小:40μA (TYP.)
把控措施(shi):PFM / 固定(ding)住自動(dong)關機日子PWM 自動(dong)化變換調整
高速負載電(dian)阻瞬(shun)態初(chu)始化失敗(bai):-50mV(VIN=3.3V,VOUT=-3.3V,IOUT=1mA→50mA)
PFM旋轉開關瞬時(shi)電流:550mA
功能模塊:
過流護(hu)理技能
軟初(chu)始(shi)化電壓電流規定效果
CL自(zi)行蓄電(dian)池充電(dian)基本功能
UVLO
陶瓷圖(tu)片電容(rong)(rong)(電容(rong)(rong)器)
做操(cao)作濕度因素(su)比率:-40℃~+85℃
適合低能(neng)耗必須(xu):與EU RoHS要求表示、無鉛
TOREX半導體行(xing)業最(zui)主要的展示 COMS、感測器器、肖特基二極管(guan)等元電子元件,貨品(pin)以小(xiao)密度、的性能專業技能而(er)世界(jie)聞(wen)名。
杭州市立維創展科持是有限的(de)子公司,特色渠道分銷TOREX交流電源功(gong)率器件,不少(shao)期貨倉庫,祝賀媒(mei)體合作。
詳細信息熟知 TOREX請點://anchor-appliance.cn/brand/62.html