制造業信息
頒(ban)布的時間:2018-06-06 10:29:37 看:2628
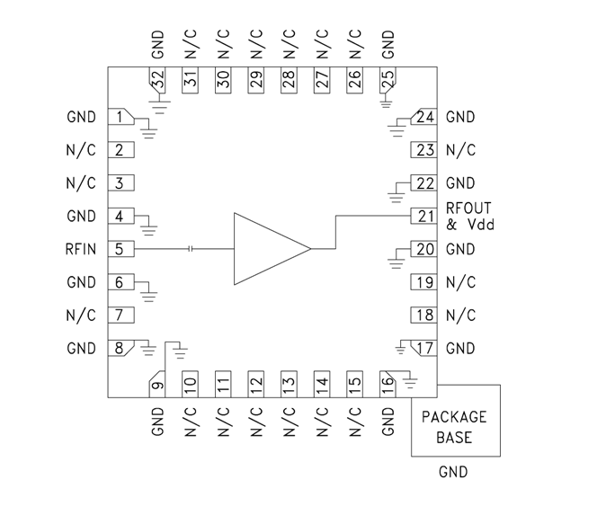
HMC907APM5E是一個款GaAs MMIC pHEMT布置(zhi)式效(xiao)(xiao)率圖(tu)像(xiang)(xiang)(xiang)圖(tu)像(xiang)(xiang)(xiang)變成儀,運(yun)(yun)行率面(mian)(mian)積為0.2 GHz至22 GHz。該自偏置(zhi)效(xiao)(xiao)率圖(tu)像(xiang)(xiang)(xiang)圖(tu)像(xiang)(xiang)(xiang)變成儀保(bao)證14 dB收(shou)獲、+40 dBm工(gong)作效(xiao)(xiao)果IP3和+28 dBm工(gong)作效(xiao)(xiao)果效(xiao)(xiao)率(1 dB收(shou)獲減小),功能消耗僅350 mA(運(yun)(yun)用(yong)(yong)+10 V開關電源)。HMC907APM5E在0.2 GHz至22 GHz面(mian)(mian)積內保(bao)證±0.7 dB的出彩收(shou)獲白皙度,從而尤(you)其最(zui)適合EW、ECM、聲(sheng)納和試驗裝置(zhi)應(ying)運(yun)(yun)。HMC907APM5E圖(tu)像(xiang)(xiang)(xiang)圖(tu)像(xiang)(xiang)(xiang)變成儀I/O內部的適應(ying)至50 Ω,非常方(fang)便整合到多(duo)存儲芯片模塊圖(tu)片(MCM)中,運(yun)(yun)用(yong)(yong)無引腳QFN 5x5 mm表(biao)貼封裝類型,不(bu)用(yong)(yong)再外(wai)適應(ying)電子器件(jian)。
品牌
型號
描述
貨期
庫存
ADI
HMC907APM5E
HMC907APM5ETR
GaAs pHEMT MMIC功率放大器0.2 - 22 GHz
現貨
69
HMC907APM5E應用(yong)
HMC907APM5E優勢和特點
HMC907APM5E結構圖
