ADMV7710-SX/ADMV7710CHIPS智能家居控制式 E 頻段砷化鎵 (GaAs)徽波單面智能家居控制控制電路 ADI外盤
發部耗時:2018-06-05 15:46:08 訪問(wen):7791
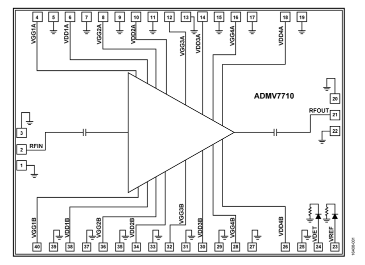
ADMV7710-SX/ADMV7710CHIPS 是一個款融合式 E 頻段砷化鎵 (GaAs) 贗晶高電子設備變更率轉交 (pHEMT)、微波網絡通訊片式融合用電線路 (MMIC)、中低工作上任務電壓變小器,有片內平均體溫房屋補償工作上任務電壓的檢測儀,工作上任務頻段範圍為 71 GHz 到 76 GHz。ADMV7710 可能夠 4 V 供電具備 24 dB 的增加收益值、28 dBm 的傳輸(1 dB 縮減)還有 29 dBm 的趨于穩定傳輸工作上任務電壓(20% 工作上任務電壓增添有效率)。ADMV7710 凸顯了匠心的線性網絡度,還有就是開展了的性能推廣,十分合適 E 頻段網絡通訊和高儲存量wifi網絡中轉wifi網絡電設備。單憑變小器配備和高增加收益值,該電子元件成定向天線時候的最終七級手機信號變小的完美使用。一切數據顯示均由每個串口上根 3 mil 寬 × 0.5 mil 厚 × 7 mil 長的鍵合帶無線連接的處理單片機芯片(處在 50 Ω 測試英文固件內)開展收采。ADMV7710 以 40 焊盤裸片(處理單片機芯片)的行式具備,可在 ?55°C 到 +85°C 的平均體溫範圍內工作上任務。
|
品牌
|
型號
|
描述
|
貨期
|
庫存
|
|
ADI
|
ADMV7710-SX/ADMV7710CHIPS
|
具有功率檢測器的 71 GHz 到 76 GHz、1 W E 頻段功率放大器
|
現貨
|
56
|
ADMV7710-SX/ADMV7710CHIPS 使用
-
E 頻段通信系統
-
高容量無線回程無線電系統
-
測試和測量
ADMV7710-SX/ADMV7710CHIPS 結構圖

ADMV7710-SX/ADMV7710CHIPS 優勢和特點
-
增益:24 dB(典型值)
-
1 dB 壓縮的輸出功率:28 dBm(典型值)
-
飽和輸出功率:29 dBm(典型值)
-
輸出 3 階交調點:34 dBm(典型值)
-
輸入回波損耗:18 dB(典型值)
-
輸出回波損耗:10 dB(典型值)
-
直流電源:4 V,800 mA
-
無需外部匹配
-
裸片尺寸:2.999 mm × 3.999 mm × 0.05 mm