服務業信息資訊
上傳時光(guang):2022-05-20 17:10:16 搜素(su):2000
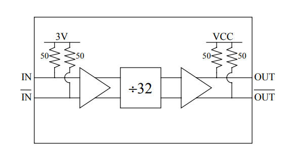
DV032是EUVIS的16針3x3mm塑料QFN高速封(feng)裝除以(yi)32靜態分頻器。由于(yu)輸(shu)(shu)入靈敏度高,輸(shu)(shu)出相(xiang)位噪聲低,小規(gui)格尺寸,DV032廣泛應用于(yu)通信網絡、儀器儀表、無(wu)線電/雷達等(deng)領域。DV032接收0.2GHz(正弦波(bo)(bo)、直流(liu)方波(bo)(bo))14GHz輸入頻率,需要一(yi)個 5V的(de)單電(dian)源。

大部分特征描述
?0.2-14GHz上行速(su)率
?低相位噪(zao)音(yin)污染:-140 dBc/Hz
?高發送(song)精(jing)確度度:-25 dBm
?輸(shu)入振動幅度:800 mVp-p(差分)
?差動插入和(he)模擬輸出
?50? 顯(xian)示/模擬輸出輸出阻(zu)抗
?單電源開關:+5V
?瞬時(shi)電流(liu)需要量:72mA
?16針3x3mm金屬QFN封(feng)裝(zhuang)形式
西(xi)安市(shi)立維創展高新(xin)科技是EUVIS的加盟代理廠家商,主(zhu)要提供數據(ju)EUVIS的各國最牛的極速(su)數模換算DAC、隨時(shi)數字8次數合成視頻器(qi)DDS、多路(lu)復用DAC的IC芯片(pian)級物料,以其高采(cai)集工具板卡(ka)、動態信息波(bo)型會出現器(qi)等物料,原(yuan)版現貨平臺,單價優缺點,的歡迎(ying)咨詢中心。
情況熟知 EUVIS請點擊率://anchor-appliance.cn/brand/24.html