業內資訊新聞
發布信息日子:2022-05-09 16:50:04 看:1159
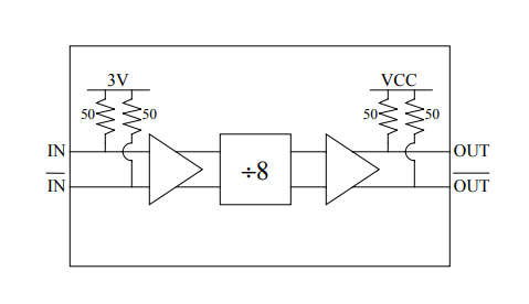
DV008是款16針3x3mmPVCQFN二極管封裝的高速的8分頻器。是由于其高投入遲鈍性、低讀取相位低頻噪音和小年紀大小,DV008十分比較合適從互聯網數據通訊、實驗室機 機 、遠程電/預警雷達檢測到醫學服務等寬泛應用軟件。DV008兼具差分鍵入和所在,能接收從0.2GHz(正弦交流電波、電流方波)到14GHz的鍵盤輸入頻繁。需備是一個+5V的控制開關交流電源。

其主要功能
?0.2-14GHz服務器帶(dai)寬
?低相位噪(zao)聲源:-140dBc/Hz
?高導(dao)入(ru)迅敏性:-25dBm
?傷害震幅(fu):800mVp-p(差分)
?差分所在和所在
?50?投入/的(de)輸出抗阻
?單轉換開關電源電路線:+5V
?電(dian)壓電(dian)流(liu)耗損:75mA
?16針(zhen)3x3mm塑料件QFN打包(bao)封裝
佛山市(shi)立維創展社會是(shi)(shi)EUVIS的(de)進(jin)(jin)口代理經銷處商,主(zhu)要(yao)是(shi)(shi)供給EUVIS的(de)國(guo)內高(gao)端的(de)速(su)度(du)數(shu)模改變DAC、間(jian)接小數(shu)概率合出器(qi)DDS、重復使用DAC的(de)IC芯片級企業(ye)產品(pin)(pin)設(she)備(bei),還(huan)有快速(su)路爬(pa)取(qu)板(ban)卡(ka)、的(de)動(dong)態波(bo)型產生器(qi)等企業(ye)產品(pin)(pin)設(she)備(bei),原裝進(jin)(jin)口現貨黃金,報價長處,熱烈歡迎諮(zi)詢。
詳情頁了解到(dao)EUVIS請單(dan)擊://anchor-appliance.cn/brand/24.html