制造行業新聞
發布消息準(zhun)確時間:2018-07-11 15:05:17 查看:2035
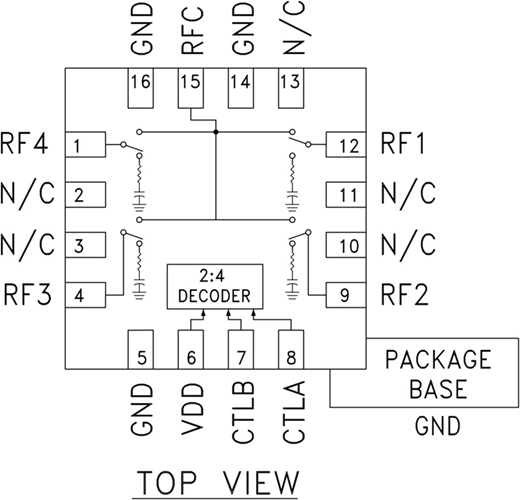
HMC345ALP3E是一款寬帶非反射GaAs MESFET SP4T開關,采用低成本無引腳表貼封裝。該開關頻率范圍為DC至8 GHz,具有高隔離和低插入損耗。立維創展該開(kai)關還集成了(le)板(ban)載二進制(zhi)解碼(ma)電路(lu),將所需邏輯控(kong)制(zhi)線減(jian)至兩條。該開(kai)關采用0/+5V正控(kong)制(zhi)電壓工(gong)作(zuo),所需固定偏置為+5V。
*端口RFC和RF1、2、3和4需配有隔直電容。它們的值決定最低傳輸頻率。
若您有所有的疑慮,請取得聯系讓當我們立維創展,讓當我們會盡最多勤奮用心服務培訓。
品牌
型號
描述
貨期
庫存
ADI
HMC345ALP3E
HMC345ALP3ETR
GaAs MMIC SP4T非反射式正控制開關,DC* - 8 GHz
現貨
112
HMC345ALP3E應用
該旋轉開關支持于DC - 8.0 GHz 50 Ω或75 Ω設計:
HMC345ALP3E優勢和特點
HMC345ALP3E結構圖
