HMC547ALC3/HMC547ALC3TR加強型型寬帶網絡高防護SPDT開關按鈕 ADI外盤
發布了時間間隔:2018-07-10 13:58:18 打開網頁:7436
HMC547ALC3就是一款普通型帶寬高隔開非散射GaAs MESFET SPDT轉換旋轉外接電源開關按鈕,適用3x3 mm無引腳陶瓷制品表貼裝封。該轉換旋轉外接電源開關按鈕頻率范圍之內為DC至28.0 GHz,在中頻段時包括大于40 dB的隔開度和小于等于2 dB的嵌入耗費。帶寬寬、更快的轉換旋轉外接電源開關按鈕和省油的suv型規格尺寸使降解式SPDT適用軍工EW/ECM和測式機器設備軟件應用。該轉換旋轉外接電源開關按鈕適用-5/0V的互補性負有效控制電阻值邏緝層面上班,不用辦理偏置外接電源。若您有不管什么肯定,請練習.我立維創展,.我會盡比較大竭盡全力用心服務質量。
|
品牌
|
型號
|
描述
|
貨期
|
庫存
|
|
ADI
|
HMC547ALC3
HMC547ALC3TR
|
GaAs MMIC SPDT非反射式開關,DC - 28.0 GHz
|
現貨
|
233
|
HMC547ALC3廣泛應用
-
光纖和寬帶通信
-
微波無線電和VSAT
-
軍用無線電、雷達和ECM
-
測試儀器儀表
HMC547ALC3優勢和特點
-
高隔離度:
45 dB (10 GHz)
39 dB (20 GHz)
-
低插入損耗:
1.9 dB (10 GHz)
2.2 dB (20 GHz)
-
快速開關:6 ns
-
非反射設計
-
16引腳3x3 mm SMT陶瓷封裝:9mm2
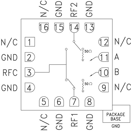
HMC547ALC3結構圖
