這個行業咨詢
推送事件:2020-08-31 15:09:54 手機(ji)瀏覽(lan):7287
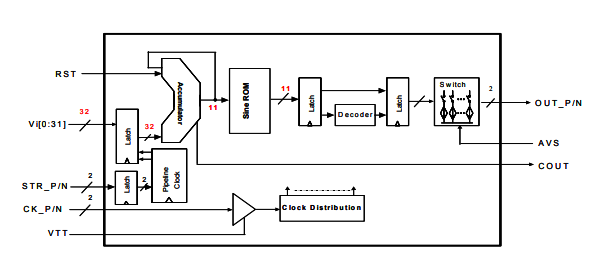
DS852是一種高速(su)直(zhi)接(jie)數(shu)字合成器(qi),頻率調諧(xie)分辨率為32位,振(zhen)幅分辨率為11位。DS852第一奈奎斯特波(bo)段的正弦(xian)波(bo)最大(da)產生1.1 GHz。初始階段(duan)可(ke)以重置為(wei)零(ling)啟動(dong)。DS852芯片(pian)(pian)具有(you)一對與50相連的(de)互補輸出端子。輸出波(bo)形的(de)頻(pin)率可(ke)由(you)32位頻(pin)率控制位Vi[0:31]控制。DS852可(ke)以接受互補時(shi)鐘輸入或單端時(shi)鐘輸入,具有(you)50Ω的(de)片(pian)(pian)上(shang)后端終端和(he)用戶(hu)定義的(de)閾(yu)值。頻率字(zi)的輸入(ru)(ru)信號接受LVTTL或(huo)CMOS輸入(ru)(ru)電平。只需5.0伏電源模塊。

DS852包(bao)括癥狀
32位頻段(duan)調諧器和(he)11位相位鑒別率
兼具11位甄別率(lv)的(de)片(pian)上(shang)dac
鐘表速率達2.5GHz
生成高至1.2GHz的正(zheng)弦交流(liu)電波
50后(hou)臺開發互(hu)補(bu)性(xing)模擬網弧形工作輸出
最爛SFDR>50 dBc
LVTTL/CMOS數字6概率(lv)字投入(ru)
更改引腳以(yi)通電的階段(duan)0打火環境
用作更(geng)行次數字和dac轉換(huan)率(lv)的穩(wen)定選(xuan)通(tong)
快速路選通輸(shu)人限制由單面(mian)機或DSPIC芯片調(diao)整DS852,進行(xing)隨時(shi)啁啾效果。
速度(du)更行率萬代高達(da)8個秒表周期性
單-5.0V主機(ji)電源(yuan)的額(e)定功率(lv)為3.0W
64針QFN打包封裝(zhuang)
DS852使(shi)用(yong)
雷達(da)探測結構(gou)設計和試驗檢(jian)測
北斗衛星通信設備
VSAT
電子設備戰
wlan基(ji)站(zhan)天線(xian)
rf射頻走勢源出現(xian)
試驗儀器和(he)光電器件試驗儀
專業通信技術熬制
北京市立維創展科技發展是EUVIS的(de)(de)批發商(shang)經(jing)售商(shang),大部分(fen)出具EUVIS的(de)(de)全世界頂尖(jian)級的(de)(de)高速的(de)(de)數模(mo)轉變(bian)成DAC、一直數字(zi)化概(gai)率生成器(qi)(qi)DDS、多路復(fu)用DAC的(de)(de)IC芯片(pian)級商(shang)品(pin)的(de)(de),各種高速路收集板卡、情況(kuang)正弦波形情況(kuang)器(qi)(qi)等商(shang)品(pin)的(de)(de),原版(ban)現貨平臺,成本(ben)主(zhu)要(yao)優勢,祝賀咨詢(xun)了解。