HMC265LM3/HMC265LM3TR直連有線電下直流伺服電機 ADI外盤
上傳(chuan)時(shi)期(qi):2018-07-06 15:50:11 瀏覽(lan)網頁:1910
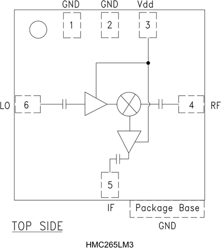
HMC265LM3就是款智能家居控制LO和IF變成器的20 - 31 GHz表貼次諧波(x2) MMIC混頻器下直流變頻空調器,適用了SMT無引腳處理芯片的載體二極管封裝類型。 在28至47 dB時,2LO至RF和IF要進行隔離能力優異,不用超額濾波。 LO變成器適用了單偏置(+3V至+4V)雙極構思,僅需-4 dBm的驅動下載。 因此大數據均確認按裝在50 ?測試軟件組合夾具中的非隔絕型、環氧光敏樹脂光敏樹脂隔絕LM3二極管封裝類型集成電路芯片提高。 立維創展HMC265LM3適用了HMC265LM3即不用線焊,然后為業主提拱一直的接口協議。
|
品牌
|
型號
|
描述
|
貨期
|
庫存
|
|
ADI
|
HMC265LM3
HMC265LM3TR
|
次諧波混頻器,采用SMT封裝,20 - 31 GHz
|
現貨
|
123
|
HMC265LM3應用
-
20和31 GHz微波無線電
-
點對點無線電下變頻器
HMC265LM3優勢和特點
-
集成LO放大器: -4 dBm輸入
-
次諧波(x2) LO
-
高2LO/RF隔離: >28 dB
-
LM3 SMT封裝
HMC265LM3結構圖
