HMC338LC3B/HMC338LC3BTR軍工用集成式LO混頻器 ADI現貨黃金
上傳日期(qi):2018-07-06 15:36:46 閱覽(lan):7357
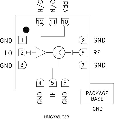
HMC338LC3B也是款集成型LO調大器的24 - 34 GHz次諧波(x2) MMIC混頻器,施用符合原則RoHS原則的無引腳SMT裝封。 在30 dB時,2LO至RF屏蔽安全性能卓越,不需要另外濾波。 LO調大器施用單偏置(+3V到+4V)設計方案,需-5 dBm的標稱驅動安裝。 RF和LO串口號為隔直串口號并自動匹配50 ?,施用便宜,同時IF的工作中聲音頻率區域為DC至3 GHz。 HMC338LC3B不需要線焊,也可以施用表貼打造的技術。
|
品牌
|
型號
|
描述
|
貨期
|
庫存
|
|
ADI
|
HMC338LC3B
HMC338LC3BTR
|
次諧波混頻器,采用SMT封裝,24 - 34 GHz
|
現貨
|
237
|
技術應用
-
點對點無線電
-
點對多點無線電和VSAT
-
測試設備和傳感器
-
軍用最終用途
-
SATCOM
HMC338LC3B優勢和特點
-
集成LO放大器: -5 dBm輸入
-
次諧波(x2) LO
-
DC - 3 GHz帶寬IF
-
符合RoHS標準的3x3 mm SMT封裝
-
單正電源: +4V (31mA)
HMC338LC3B結構圖
