HMC404/HMC404-SX集成化LO圖像功率放大器集成塊 ADI外盤
上線(xian)事件:2018-07-06 13:51:03 觀(guan)看(kan):2928
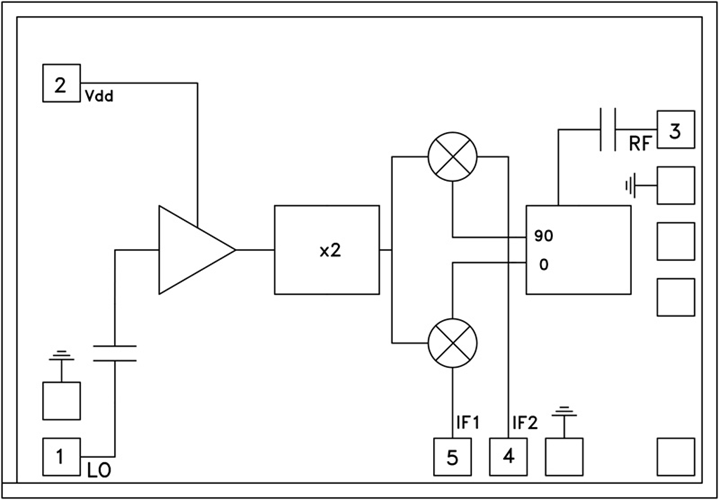
HMC404電源電源基帶芯片不是款ibmsLO變大器的次諧波(x2) MMIC系統系統鏡像減弱作用混頻器,該用作上變頻器或下變頻器。 該電源電源基帶芯片合理利用GaAs PHEMT方法,電源電源基帶芯片產品 的面積為2.31mm2。 片內90°混和配件提拱出眾的的波幅和相位平衡性耐熱性,系統系統鏡像減弱作用不小于22 dB。 LO變大器用到單偏置(+4V)單級設計,僅需+2 dBm的標稱動力。
|
品牌
|
型號
|
描述
|
貨期
|
庫存
|
|
ADI
|
HMC404
HMC404-SX
|
GaAs MMIC次諧波IRM混頻器芯片,26 - 33 GHz
|
現貨
|
238
|
HMC404應用
-
26至33 GHz微波無線電
-
針對點對點無線電應用的上下變頻器
HMC404優勢和特點
-
集成LO放大器: +2 dBm輸入
-
次諧波(x2) LO
-
鏡像抑制: 22 dB
-
小尺寸: 1.90 x 1.25 mm
HMC404結構圖
