相關行業介紹
正式發布時段:2018-07-05 10:41:08 瀏覽器:2529
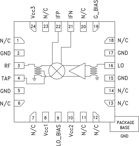
HMC786LP4E是一款集成LO放大器的高動態范圍無源MMIC混頻(pin)器,采用(yong)(yong)(yong)4x4 SMT QFN封(feng)裝,工作頻(pin)率(lv)范(fan)圍(wei)為0.7至1.1 GHz。 LO驅動(dong)為0 dBm時(shi),3G和4G GSM/CDMA應用(yong)(yong)(yong)具有+40 dBm的出色(se)輸(shu)入IP3下變(bian)頻(pin)性(xing)能。 采用(yong)(yong)(yong)1dB (+25 dBm)輸(shu)入壓縮時(shi),RF端口(kou)支持(chi)各(ge)種(zhong)輸(shu)入信號電平(ping)。 轉(zhuan)換損耗為7.5 dB(典型值)。 高達250 MHz的IF頻(pin)率(lv)響應可滿(man)足GSM/CDMA發(fa)射或接收頻(pin)率(lv)計劃(hua)要求。 立維創展HMC786LP4E針(zhen)對0.7 - 1.1 GHz RF頻(pin)段高端LO頻(pin)率(lv)計劃(hua)進行(xing)了優化,并與HMC686LP4E引腳兼容(rong)。
| 品牌 | 型號 | 描述 | 貨期 | 庫存 |
| ADI |
HMC786LP4E HMC786LP4ETR |
集成LO放大器的BiCMOS混頻器,0.7 - 1.1 GHz | 現貨 | 105 |
HMC786LP4E應用
HMC786LP4E優勢和特點
