HMC6146BLC5A/HMC6146BLC5ATR有線電可變性收獲上變頻式器 ADI期貨
發(fa)布信息(xi)時候(hou):2018-07-04 10:06:39 瀏覽網(wang)頁:6780
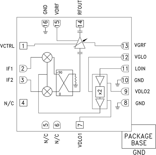
HMC6146BLC5A是一種款緊促型GaAs MMIC I/Q可變氣門正時性增加收益上變頻柜器,用無引腳RoHS兼容型SMT打包封裝。 該集成電路芯片給出12 dB小信號燈轉化成增加收益,具備25 dBc邊帶減弱和17 db增加收益把握。 HMC 6146BLC5A用RF可變氣門正時性增加收益變大器,在其之間為個I/Q混頻器,LO由X2倍頻器驅動器。 給出IF1和IF2混頻器導入,但會可經由間接90°搭配決定所須邊帶。
I/Q混頻器拓撲結構下降了專門針對抑制邊帶展開濾波的規范要求。 HMC6146BLC5A也是款更精巧、可當做比調單向帶有直流變頻的產品,支撐表貼打造技術性,免線焊。
|
品牌
|
型號
|
描述
|
貨期
|
庫存
|
|
ADI
|
HMC6146BLC5A
HMC6146BLC5ATR
|
GaAs MMIC I/Q上變頻器,40 - 44 GHz
|
現貨
|
198
|
HMC6146BLC5A應用
-
點對點與
點對多點無線電
-
軍用雷達、EW與ELINT
-
衛星通信
HMC6146BLC5A優勢和特點
-
轉換增益:12 dB
-
邊帶抑制:25 dBc
-
2LO至RF隔離:15 dB
-
高輸出IP3:+27 dBm
-
16引腳5x5 mm陶瓷封裝:25 mm2
HMC6146BLC5A結構圖
