HMC1113LP5E/HMC1113LP5ETR表貼裝封緊湊suv型下直流變頻 ADI外盤
披(pi)露時(shi)期:2018-07-03 10:16:58 查詢:2468
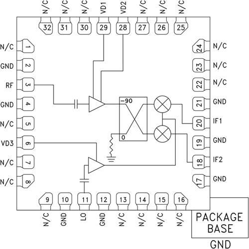
HMC1113LP5E是一種款緊促型GaAs MMIC I/Q下直流交流變頻空調器,進行無鉛5 x 5 mm低壓力注塑加工塑膠板材表貼封裝類型。 該元器供應12 dB的小表現轉型增益值、1.8 dB的噪音公式和25 dBc的系統鏡象阻止性能指標。 HMC1113LP5E進行LNA,后接由LO減慢器變小器帶動的系統鏡象阻止混頻器。 該系統鏡象阻止混頻器會讓LNA隨后不同適用濾波器,并可驅除系統鏡象頻點下的熱噪音。 它存在I/Q混頻器打印輸出,流程外接90°混和型元器用做進行流程邊帶。 HMC1113LP5E為混和型系統鏡象阻止混頻器下直流交流變頻空調器應用程序的小行用于元器,它不同線焊,可能適用表貼加工制造系統。
|
品牌
|
型號
|
描述
|
貨期
|
庫存
|
|
ADI
|
HMC1113LP5E
HMC1113LP5ETR
|
GaAs MMIC I/Q下變頻器,10 - 16 GHz
|
現貨
|
257
|
HMC1113LP5E應該用
-
點對點和點對多點無線電
-
軍用雷達、EW和ELINT
-
衛星通信
HMC1113LP5E優勢和特點
-
更換增益控制:12 dB
-
iso鏡像調控:25 dBc
-
LO至RF隔離霜:45 dB
-
噪音分貝彈性系數:1.8 dB
-
IP3:1 dBm
-
32引腳5 x 5 mm SMT封裝
HMC1113LP5E結構圖
