HMC1063LP3E/HMC1063LP3ETR家用suv型I/Q MMIC混頻器 ADI現貨黃金
推出(chu)期限:2018-07-02 14:41:15 預覽:1899
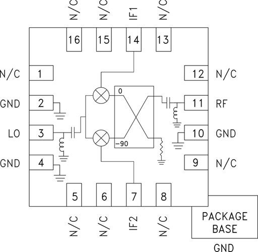
HMC1063LP3E一款緊奏型型I/Q MMIC混頻器,采取“無鉛”SMT打包封裝,能夠用作鏡象抑止混頻器或單向帶進直流abb直流變頻空調器。 該混頻器采取幾個標準單位Hittite雙動態平衡混頻器第一單元和是一個直角分層器材,均采取GaAs Schottky穩壓管加工制作工藝 手工制造出。 低頻正交分層器材適用會產生1,000 MHz LSB IF效果。 該貨品為分層型鏡象抑止混頻器和單向帶進直流abb直流變頻空調器控件的不同規格的中小型代用器材。 HMC1063LP3E不需線焊,還可以運用表貼手工制造出方法。
|
品牌
|
型號
|
描述
|
貨期
|
庫存
|
|
ADI
|
HMC1063LP3E
HMC1063LP3ET
|
GaAs MMIC I/Q混頻器,24 - 28 GHz
|
現貨
|
259
|
HMC1063LP3E應用
-
點對點和點對多點無線電
-
軍用雷達、EW和ELINT
-
衛星通信
-
傳感器
HMC1063LP3E優勢和特點
-
低LO功率: 10 dBm
-
寬IF帶寬: DC - 3 GHz
-
鏡像抑制: 21 dBc
-
LO/RF隔離: 40 dB
-
高輸入IP3: 17 dBm
-
16引腳3x3 mm SMT封裝: 9 mm2
HMC1063LP3E結構圖
