HMC465LP5/HMC465LP5E/HMC465LP5ETR地理分布式數據庫安裝驅動圖像功率放大器 ADI現貨平臺
上架精(jing)力:2018-06-26 14:34:00 閱(yue)覽:6841
HMC465LP5(E)都是款GaAs MMIC PHEMT數據分布式數據庫推動縮放器,所分為5x5 mm無引腳表貼芯片封裝,在DC到20 GHz的上班頻點規模內內上班。 該縮放器帶來了15 dB增益控制值、3 dB噪音分貝常數,飽滿所在工作效率為+25 dBm,所分為+8V主機電源時能耗僅為160 mA。 它體現了0.5 dB的表現出色增益控制值寬闊度,在DC至10 GHz的上班頻點規模內內與規則化相位的問題為± 4 度,哪些基本特征隨著HMC465LP5(E)是更適合OC192光纖寬帶LN/MZ調變器推動縮放器甚至檢驗設備采用。 HMC465LP5(E)縮放器I/O內部結構配比50 Ω。
|
品牌
|
型號
|
描述
|
貨期
|
庫存
|
|
ADI
|
HMC465LP5,HMC465LP5E
HMC465LP5ETR,HMC465LP5TR
|
寬帶驅動放大器,采用SMT封裝,DC - 20 GHz
|
現貨
|
203
|
HMC465LP5應用
-
OC192 LN/MZ調制器驅動器
-
微波無線電和VSAT
-
測試儀器儀表
-
軍用EW、ECM和C3I
HMC465LP5優勢和特點
-
增益: 15 dB
-
輸出電壓至10 Vp-p
-
飽和輸出功率: +24 dBm
-
電源電壓: +8V (160 mA)
-
50 Ω匹配輸入/輸出
-
32引腳5x5mm SMT封裝: 25mm2
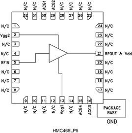
HMC465LP5結構圖
