HMC408LP3E/HMC408LP3ETR快速率熱效率拖動器5.1 - 5.9 GHz ADI期貨
發布(bu)信息時段:2018-06-26 13:39:38 訪問 :7338
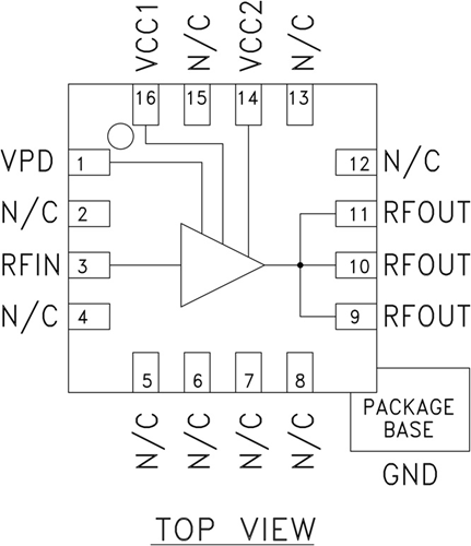
HMC408LP3(E)也是款5.1 - 5.9 GHz高效能率GaAs InGaP異質結雙化學性質硫化鋅管(HBT)電機工作輸出變小器MMIC,提高+30 dBm P1dB。 該變小器提高20 dB增加收益,飽滿電機工作輸出為+32.5 dBm,電源線工作電壓為+5V (27% PAE)。 鍵入內部的配備至50 Ohms,效果需非常少的異常電氣元件。 Vpd要用于全低耗電機制或RF效果電機工作輸出/工作電流有效控制。 該變小器主要包括低生產成本、3x3 mm無鉛外層貼裝打包封裝,可能含有曝露支撐柱以調理RF和散熱機械性能。
|
品牌
|
型號
|
描述
|
貨期
|
庫存
|
|
ADI
|
HMC408LP3E
HMC408LP3ETR
|
1 W功率放大器SMT,5.1 - 5.9 GHz
|
現貨
|
275
|
HMC408LP3應(ying)用
-
802.11a & HiperLAN WLAN
-
UNII和點對點/多點無線電
HMC408LP3優勢和特點
-
增益: 20 dB
-
飽和功率: +32.5 dBm (27% PAE)
-
單電源電壓: +5V
-
省電功能
-
3x3 mm無鉛SMT封裝
HMC408LP3結構圖
