HMC461LP3E雙節點MMIC擴大器 1w高IP3擴大器 ADI現貨平臺
發表(biao)時:2018-06-26 11:49:49 查詢:1953
HMC461LP3(E)一款1.7 - 2.2 GHz高輸出電壓IP3 GaAs InGaP異質結雙電性硫化鋅管(HBT)雙綠色通道MMIC放小器。 它在每個集成式電線中,具備好幾個HMC455LP3高IP3動力器的線形機械性能,可在發展或推挽放小器電線中調試。 該放小器具備12 dB的增加收益和+30.5 dBm的過剩電功率(當PAE為48%時),進行+5 Vdc單供電,一起操作發展調試的外觀巴倫。
因兼備+45 dBm的高的輸出IP3,再整合1.2:1的低VSWR,那么HMC461LP3(E)變成了適用PCS/3G無線wifi基本條件服務設施的完美驅使放縮器。 雙MMIC放縮器集成型電路板用成本分析費用的無引腳3x3 mm QFN界面貼裝二極管封裝(LP3)。 LP3展示外露基極以改變優異的RF和cpu散熱耐熱性。
|
品牌
|
型號
|
描述
|
貨期
|
庫存
|
|
ADI
|
HMC461LP3
|
1瓦特高IP3放大器,采用SMT封裝,1.7 - 2.2 GHz
|
現貨
|
278
|
HMC461LP3應用(yong)
-
多載波系統
-
GSM、GPRS和EDGE
-
CDMA和W-CDMA
-
PHS
-
可配置平衡或推挽
HMC461LP3優勢和特點
-
+45 dBm輸出IP3(平衡配置)
-
增益:12 dB
-
PAE為48%(Pout為+30.5 dBm時)
-
+20 dBm的W-CDMA通道功率(ACP為-45 dBc時)
-
3x3 mm QFN SMT封裝
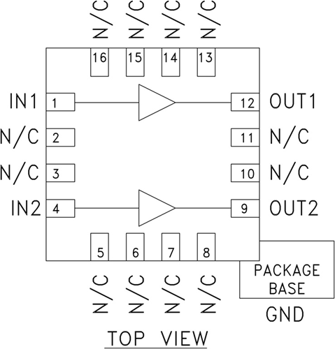
HMC461LP3結構圖
