HMC409LP4E/HMC409LP4ETR有熱效率率熱效率縮放器 ADI現貨交易
發布公告耗時:2018-06-26 11:07:05 瀏覽記錄:7547
HMC409LP4(E)是款高效性率GaAs InGaP HBT MMIC瓦數變小器,工作中頻點比率為3.3至3.8 GHz。 該變小器通過低代價、無鉛SMT二極管封裝。 它通過很少的外部鏈接開關元件,給予31 dB增加收益,飽合瓦數為+32.5 dBm,電源適配器電阻為+5V。 瓦數管理(Vpd)能用于全低耗電方法或RF輸入轉換瓦數/額定功率管理。 我們對+22 dBm OFDM輸入轉換瓦數(64 QAM, 54 Mbps),HMC409LP4(E)可體現2%的數據誤差矢量素材頻率(EVM),才能夠滿足WiMAX 802.16平滑度符合要求。
|
品牌
|
型號
|
描述
|
貨期
|
庫存
|
|
ADI
|
HMC409LP4E
HMC409LP4ETR
|
1 W功率放大器SMT,3.3 - 3.8 GHz
|
現貨
|
237
|
HMC409LP4應用
-
WiMAX 802.16
-
固定無線接入
-
無線本地環路
HMC409LP4優勢和特點
-
增益: 31 dB
-
40% PAE (+32.5 dBm pout)
-
2% EVM (Pout = +22 dBm)
具有54 Mbps OFDM信號
-
+46 dBm輸出IP3
-
集成功率控制(Vpd)
-
+5V單電源
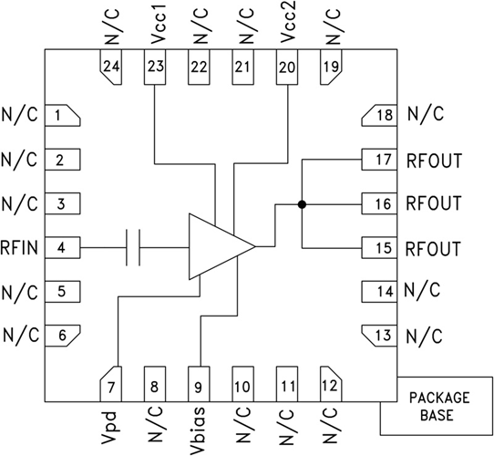
HMC409LP4結構圖
