HMC487LP5E/HMC487LP5ETR用于SMT封裝2瓦特公率增加器 ADI現貨交易
發(fa)布(bu)了期限:2018-06-25 15:48:33 手(shou)機(ji)瀏覽:2521
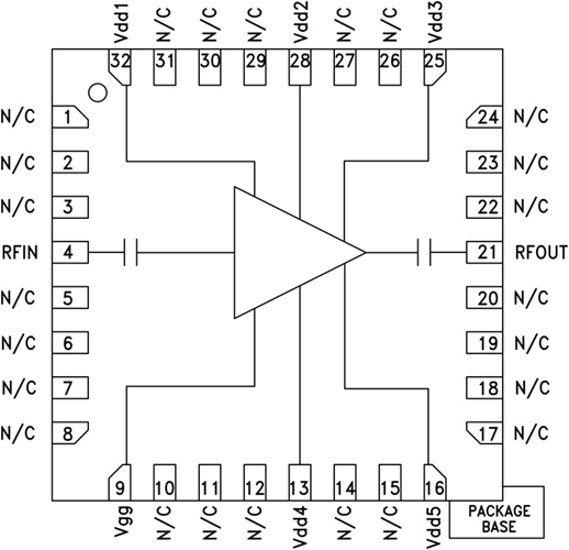
HMC487LP5(E)不是款高動態信息的范圍GaAs PHEMT MMIC 2瓦特讀取功效拖動器,用到無引腳5x5 mm外從表面貼裝打包封裝。 該拖動器在9至12 GHz的次數下上班,保證20 dB的收獲、+33 dBm的過剩讀取功效和20%的PAE,電源適配器電壓降為+7V。 讀取IP3為+36 dBm(基本特征值)。 RF I/O為隔直服務器端口,并配備至50Ω,選擇便利。 HMC487LP5(E)不用辦理線焊,能選擇外從表面貼裝手工制造技巧。
|
品牌
|
型號
|
描述
|
貨期
|
庫存
|
|
ADI
|
HMC487LP5E
HMC487LP5ETR
|
2瓦特功率放大器,采用SMT封裝,9 - 12 GHz
|
現貨
|
223
|
HMC487LP5應用
-
點對點無線電
-
點對多點無線電
-
測試設備和傳感器
-
軍事最終用途
HMC487LP5優勢和特點
-
飽和功率: +33 dBm(PAE為20%時)
-
輸出IP3為+36 dBm
-
增益為20 dB
-
+7V、1300 mA電源
-
50 Ω匹配輸入/輸出
-
25 mm2無引腳SMT封裝
HMC487LP5結構圖
