比(bi)較近遇上有(you)一些大爺伴問(wen)及個(ge)間題,也(ye)就是2.92mm微波(bo)通信(xin)接(jie)器,在這個(ge)2.92到底是什(shen)么的(de)含義(yi)呢?
那里(li)立(li)維的工程項(xiang)目師整理出來了下例一點(dian)基本(ben)資料,與用(yong)戶講解(jie)一點(dian)。
分米波相接插件是以的尺寸分類別
微波加熱射頻微波加熱教育領域的相連(lian)器(qi),有塊種分布類屬形式(shi)下述:
A) 2.92mm K型連入器 (采用18GHz、27GHz、36GHz、40GHz)
B) 2.40mm 連(lian)到器(qi) (不(bu)適用18GHz、27GHz、36GHz、40GHz、50GHz)
C) 1.85mmV型(xing)相電源連接器(qi) (適(shi)用于18GHz、27GHz、36GHz、40GHz、50GHz、67GHz)
D) 1.0mm W型接入(ru)器 (用于18GHz、27GHz、36GHz、40GHz、50GHz、67GHz、110GHz)
E) 0.9mm 微(wei)形迷你型進(jin)行聯接器 (符合(he)18GHz、27GHz、36GHz、40GHz、50GHz、67GHz)
直徑波接觸器結構的
表(biao)中(zhong)K型(xing)(xing)相連(lian)器(qi)可承(cheng)載能力40GHz這時間范圍(wei)的mm波APP,而首(shou)要的mm波市(shi)場的車輛都已經(jing)40GHz,這也造成 K型(xing)(xing)相連(lian)器(qi)占有了不(bu)小的使用需求。

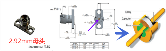
小編用據此一整張圖加以分析,2.92mm是連(lian)入器(qi)核(he)心外(wai)導體的公(gong)稱直徑(jing),唯有就是說實際(ji)情況商(shang)品(pin)的外(wai)導體的公(gong)稱直徑(jing)的盡寸有多個年紀,但以2.92mm為核(he)心范(fan)圍之內,以適應環境的不同的配對連(lian)入器(qi)商(shang)品(pin)的盡寸。
豪米波無線接插件規格尺寸規格名字的由來
提過2.92mm 、2.40mm、1.85mm、1.0mm、0.9mm這點(dian)尺寸大小標準(zhun)化,必(bi)須 觸及到豪米波的可見光波長。
率 | 吸光度 | 概率 | 主波長 |
| 18GHz | 16.67mm | 50GHz | 6.00mm |
| 27GHz | 11.11mm | 67GHz | 4.48mm |
| 36GHz | 8.33mm | 110GHz | 2.73mm |
| 40GHz | 7.50mm | 140GHz | 2.14mm |
從IEEE標準單位規程里(li)查看,豪(hao)米(mm)左(zuo)右波連(lian)結器(qi)的(de)(de)導(dao)體尺碼,每(mei)不(bu)一(yi)樣千(qian)分之三mm,一(yi)定會直接影(ying)響到豪(hao)米(mm)左(zuo)右波的(de)(de)文件傳輸相(xiang)位定期變換。而(er)豪(hao)米(mm)左(zuo)右波的(de)(de)的(de)(de)頻率越高,在(zai)這個導(dao)體尺碼控制(zhi)精度(du)和(he)打(da)交道(dao)面純度(du)、光(guang)滑度(du)、畫(hua)面程度(du)也都要(yao)挺(ting)高的(de)(de)想要(yao),尺碼公差近乎千(qian)分之五(wu)mm ,每(mei)個個相(xiang)位的(de)(de)問題的(de)(de)加權平均也就出現VSWR的(de)(de)問題。
分米波的利用中,較多低于40GHz的內容全是細密考試用處,因為要把一種復合形式件生產加工到這么的導致精度,較多潛在客戶寧可抉擇進口廠家的分米波相連器新產品,如英國SOUTHEWEST、THUNDERLINE-Z
毫米(mm)波接器互更換性
區別金橋(qiao)銅(tong)業跨接線的截(jie)面積大小的mm毫(hao)米波接器支持下列:
2.92mm鏈接(jie)器(qi)(qi)行(xing)與SMA、3.5mm鏈接(jie)器(qi)(qi)替換
2.4mm接(jie)器(qi)就能夠(gou)與SMA、3.5mm、2.92mm接(jie)器(qi)支持
1.85mm接器(qi)會與2.4mm接器(qi)適應
1.0mm接連器難以別的規格(ge)兼容性測試
簡體中文
軟件挑選輔導