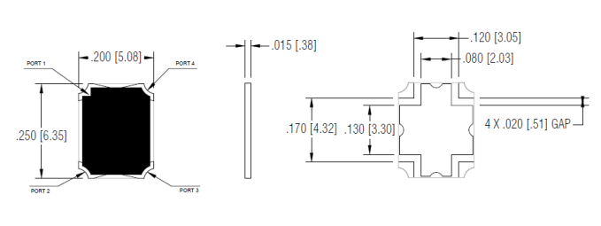
2500-4500 MHz Directional Coupler

微波射頻元元器
Q10HF-3500S定向(xiang)招(zhao)生解耦器速率:2.5 – 4.5 GHz解耦:10噪音分(fen)貝±1.5噪音分(fen)貝跳轉(zhuan)到性:16dB駐波比:1.2:1放損耗率:0.3dB工率:150瓦評價板722-0006-01-E01備貨時間是:6-8周
2500-4500 MHz Directional Coupler
