TQP7M9105小型蜂窩基站5V高線性度驅動放大器 Qorvo現貨熱銷
2018-07-26 14:12:01
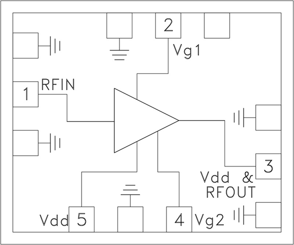
Qorvo的TQP7M9105是1W 5V大中型蜂窩通信基站?高非波形度控制圖像擴大器控制電路,用的標準SOT-89接觸面貼裝封裝類型。在0.9 GHz時,TQP7M9105展示 19.4 dB增益控制,高49 dBm OIP3和+30 dBm解壓縮1dB輸出功率,一并吸引非常的低的220 mA電壓。內控制電路容許圖像擴大器控制電路展示 具備有“AB類”質量的“A類”非波形能。TQP7M9105一般包括片上實現目標的額外添加高新的產品功能鍵,使其與市廠上的同一的產品區分開