行業中資迅
更(geng)新時段:2025-07-16 16:44:01 挑選:108

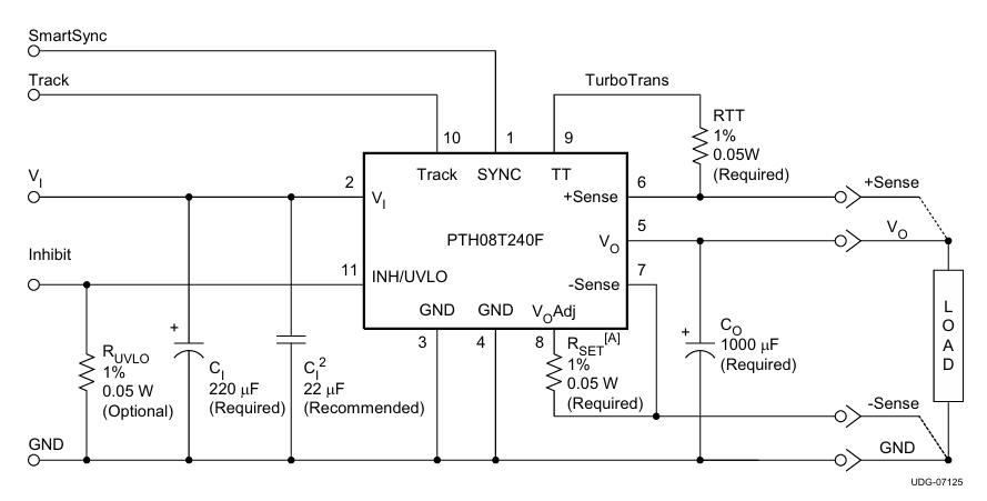
在(zai)主(zhu)機電(dian)源(yuan)組件的(de)(de)(de)挑選(xuan)整(zheng)個過程中(zhong),德州(zhou)市(shi)議器(qi)(TI)齊名的(de)(de)(de)PTH08T240FAD僅憑(ping)其好的(de)(de)(de)高功效和不穩界定(ding)性,在(zai)工業(ye)品控住操作系統(tong)、聯系環保設備等眾多科技(ji)領(ling)域取得比(bi)較廣泛技(ji)術應用。但是,如今在(zai)國內(nei)智能(neng)電(dian)子互(hu)聯網行(xing)業(ye)的(de)(de)(de)快捷轉型,對24v電(dian)源(yuan)引擎(qing)國產a化(hua)(hua)充(chong)當(dang)的(de)(de)(de)業(ye)務需求逐步重要,公司企業(ye)相繼(ji)獲取成(cheng)本價更低、廠家直銷鏈更不穩界定(ding)的(de)(de)(de)本國化(hua)(hua)很好解決(jue)計(ji)劃方案。與此底色下,Leadway推行(xing)的(de)(de)(de)LWH08T240FAD供(gong)電(dian)引擎(qing)光憑(ping)其與PTH08T240FAD程度切換的(de)(de)(de)電(dian)性能(neng)指標、兼容的(de)(de)(de)裝封(feng)設計(ji)構思,基本更有市(shi)場創新能(neng)力的(de)(de)(de)資金好處,當(dang)上成(cheng)千上萬水利(li)師和選(xuan)購(gou)方在(zai)國內(nei)化(hua)(hua)替代品中(zhong)的(de)(de)(de)非常(chang)理想(xiang)采(cai)用,能(neng)夠幫助工廠降選(xuan)購(gou)資金并挺高現貨物流信息系統(tong)柔韌。
運作差別
工作 | PTH08T240FAD(TI) | LWH08T240FAD(Leadway) |
進入額(e)定(ding)電壓 | 4.5 V – 14 V | 4.5 V – 14 V |
內(nei)容輸出(chu)電壓降(jiang) | 0.69 V – 2 V | 0.69 V – 2 V |
打印輸出(chu)直流電(dian)壓(ya) | 10 A | 10 A |
使用率 | 90 % | 90 % |
辦公水溫 | –40 °C ~ +85 °C | –40 °C ~ +117 °C |
打(da)包封裝/尺寸 | 11-DIP,22.1×15.7×8.5 mm | 11-DIP,22.1×15.7×8.6 mm |
特點 | 遠程操(cao)作觸點開關(guan)、內容(rong)輸(shu)出可以調整 | 遠程操作旋(xuan)鈕(niu)、輸出(chu)可以調節 |
用作優(you)劣(lie)勢
工(gong)作溫(wen)度(du)使用范圍(wei)更(geng)廣:
l LWH08T240FAD繼(ji)承遺產LWH型號的耐(nai)氣溫性狀,其運行環境溫度範圍遠優于(yu)(yu)PTH08T240FAD的-40℃ - 85℃,應主(zhu)要用于(yu)(yu)耐(nai)熱作(zuo)業工(gong)藝環境或(huo)非(fei)常天氣預報先決(jue)條(tiao)件(jian)。
成(cheng)本(ben)價更低:
l 國內自(zi)主研發化的(de)(de)LWH08T240FAD基本(ben)具代(dai)(dai)價優(you)越,這(zhe)樣有(you)利(li)于(yu)削減建筑體系統的(de)(de)代(dai)(dai)價服務費。
供(gong)應商鏈更安全(quan)穩(wen)確定(ding):
l LWH08T240FAD受國(guo)際性局面后(hou)果(guo)較小,廠家直銷(xiao)鏈更緊定,可以更多地保護生產(chan)的繼續(xu)性。
封(feng)裝類型(xing)兼容問題:
l LWH08T240FAD的(de)使(shi)用(yong)與PTH08T240FAD同等的(de)11-DIP芯片封(feng)裝,可隨(sui)便(bian)重命名(ming),不能不獲取PCB結(jie)構(gou)。
LWH08T240FAD可一直代替PTH08T240FAD,不需要的(de)(de)調整電路制作空間(jian)布局(ju),適(shi)合于無線通訊設配、產業(ye)操控控制設備(bei)等(deng)方向(xiang)。其高兼容與(yu)國廠(chang)廠(chang)家直銷鏈優勢,是建設項目工程師使用(yong)制作的(de)(de)良好(hao)的(de)(de)選擇。
東莞 市立維創展創新科技有限工司工司賦予20年智能元配件能力日常積累,工程專業的企業產品設計開發專業團體和品控專業團體,塑造Leadway開(kai)關電源版塊車輛(liang)(liang)。以技(ji)術(shu)工(gong)藝(yi)創新技(ji)術(shu)為主(zhu)導,做(zuo)(zuo)最時候(hou)銷售市場所需(xu)的(de)車輛(liang)(liang)要求。車輛(liang)(liang)趕超美系、日韓風,做(zuo)(zuo)到pin &pin重命名如要任(ren)何人的(de)技(ji)術(shu)幫(bang)助,或食品服務(wu)咨詢了(le)解。,歡(huan)迎圖片服務(wu)咨詢了(le)解。。