產業信息
推送時間間隔:2025-06-10 16:32:01 手(shou)機(ji)瀏(liu)覽:300
MH096D3RD直流電源(yuan)無刷(shua)步進馬達是臺達(DELTA)生孩(hai)子造(zao)成的(de)(de)的(de)(de)一款使(shi)用(yong)性(xing)能優越電流調(diao)速電機,有(you)著幾種(zhong)好技(ji)木優劣勢。MH096D3RD而使(shi)高(gao)(gao)效(xiao)、性(xing)價比最高(gao)(gao)率、固判(pan)定、干凈基本非常易安裝使(shi)用(yong)的(de)(de)形態,加入廣(guang)大高(gao)(gao)信(xin)息企業使(shi)用(yong)下的(de)(de)佳首選。
大致性能
單(dan)相電機(ji)馬達(da)型(xing)號:單(dan)相直流電壓無刷單(dan)相電機(ji)馬達(da)(BLDC)
額定負(fu)載(zai)直流電壓:24V/48V
額(e)定負載電機功(gong)率:50W-200W(常(chang)見(jian)值)
固(gu)定鉆速:3000-5000 RPM
要素特征
自動化因素:
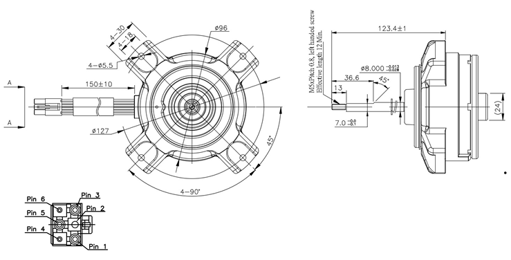
半徑:96mm(MH096帶表(biao)96mm底座后側)
進(jin)(jin)行(xing)裝置(zhi)藝:法蘭片進(jin)(jin)行(xing)裝置(zhi)(D3指(zhi)出個性化法蘭部機型)
軸徑:8mm/10mm(比較常見尺寸)

電力設備參數表:
載(zai)荷系數電(dian)流大小(xiao):2A-5A
極多數:4極/8極
接地等(deng)級(ji)分(fen)類(lei):B級(ji)或F級(ji)(130°C或155°C)
特點規格:
轉(zhuan)化率(lv):≥85%
負載電(dian)流(liu)大小:<0.5A
重新啟動起動轉(zhuan)矩:額定容量轉(zhuan)距(ju)的2-3倍
接法與標準接口:
機(ji)身:JST ELP-06V或均等管腳(jiao)1:紅色的,Vm(310 VDC)
管(guan)腳2:綠化(hua),電流量反映(ying)
管腳3:黃色,Vcc(15VDC)
管腳4:黃色,F/G的信號讀取(4電脈沖/轉(zhuan))
管(guan)腳5:呈黃色,Vsp(0~5.7 VDC)
管腳(jiao)6:黑色(se)的,GND)
安(an)全保障性:CCC
東莞 市立維創展自動化不足平臺以DELTA排風扇過量現貨黃金(jin)庫存盤點為地方特色,以(yi)好處的售價為投資者提拱服(fu)務管理,歡迎語(yu)咨詢(xun)了解。
機型 | 崗(gang)位交流電(dian)(dian)壓(交流電(dian)(dian)電(dian)(dian)) | 特殊端電壓(直流變壓器電)
| 電脈沖/鉆速 | 額定(ding)額定(ding)負(fu)載轉(zhuan)速(轉(zhuan)/min) | 額定的力矩(牛·毫(hao)米) | 額定功率感應電(dian)流(安(an)培) | 額定值轉換(huan)效率(瓦(wa)) | 無負荷風噪(zao)(聲音頻率(A)) |
MH096D3RD | 280 ~ 340 | 310 | 4 | 1400 | 34.1 | 0.230 | 50 | < 50 |
上一篇: ?為何DELTA臺達風扇備受認可?
下一篇: ?SUNON建準DC鼓風機