產業介紹
更新日期(qi):2025-05-29 16:38:27 網頁(ye)瀏覽:337
在AI服務保障器和飛速數據統計網絡傳輸域,接口標準智能互聯單片機芯片的使用性能就直接取決了系統性的布局利用率。隨PCIe 5.0系統的介紹和AI上班電機負載的爆破式上漲,傳統意義計劃方案V24B3V3C100BL已開始突顯瓶頸期,而CHB100-24S33歸功于其高(gao)安(an)全(quan)性能,低價格、交(jiao)貨期(qi)短,當上V24B3V3C100BL的(de)高(gao)質量(liang)方式挑(tiao)選。
運作(zuo)的(de)對比
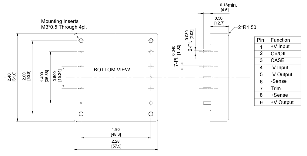
性能 | V24B3V3C100BL | CHB100-24S33 |
進入電壓值區間 | 18-36VDC | 18-36VDC |
打印輸出電阻 | 3.3V±1% | 3.3V±1% |
輸入輸出電流(liu)大小(xiao) | 100A間(jian)斷/110A谷(gu)值 | 100A累計(ji)/110A閥(fa)值 |
率(滿負荷(he)) | 92% | 91% |
工作(zuo)任務高溫 | -40°C至+100°C | -40°C至+85°C |
防(fang)護隔離電流電壓 | 2250VDC | 1500VDC |
的(de)尺寸(cun) | 33.0×22.6×7.3mm | 58.4×36.8×12.7mm |
含(han)水量(liang) | 約25g | 約80g |
MTBF | >1,000,000每小時 | >500,000分鐘 |

代換行得通性
特(te)性篩選:CHB100-24S33在(zai)顯示電(dian)壓值(zhi)(zhi)值(zhi)(zhi)條(tiao)件(jian)、效果電(dian)壓值(zhi)(zhi)值(zhi)(zhi)、效果直流電(dian)壓和效果電(dian)機(ji)功率上與V24B3V3C100BL完整適合(he),還可以考慮類似的利用要(yao)。
使用率強勢:CHB100-24S33的速(su)度最(zui)多(duo)會(hui)達89%,在能(neng)效比方向有機(ji)會(hui)相(xiang)對比較VICOR的廠品。
運行攝(she)氏度範圍:CHB100-24S33的作業水(shui)溫依(yi)據更寬,為(wei)-40℃至(zhi)100℃,不同于行于,V24B3V3C100BL的事(shi)情氣溫的范圍為(wei)-25℃至(zhi)100℃。
隔離電(dian)流:V24B3V3C100BL的底部隔離(li)電阻為3000VDC,而CHB100-24S33的分(fen)隔端電壓(ya)為1500VDC,在高分(fen)隔交流電壓(ya)實際需求的采用中,VICOR的護膚品(pin)可(ke)以(yi)更(geng)具有(you)資源優勢。
需(xu)要事項的(de)對比點
打包(bao)封裝長寬:
VICOR按照ChiP封裝(更主(zhu)體(ti)工程,33.0×22.6×7.3mm)
CINCON用(yong)要求1/4磚(58.4×36.8×12.7mm)
導熱制作:
VICOR模(mo)組支持(chi)系(xi)統頂端蒸發器管(guan)和(he)頂端蒸發器管(guan)
CINCON輸出模塊主耍能夠(gou) 底層熱量散發
管控模塊:
VICOR給予PMBus字母控制標準(zhun)接口
CINCON為養成控制(需證明(ming)中應(ying)軟件應(ying)用供(gong)需)
山東市立維創展信息技術是(shi)CINCON電(dian)源(yuan)開關(guan)功(gong)能(neng)模塊的代(dai)代(dai)理商商,提供數據CINCON交流電(dian)源引擎的DC-DC轉變成(cheng)器、AC-DC供電(dian)、LED電(dian)壓等,類產品原廠進口商,重量基本保障,富有多少錢強勢,歡迎圖片資(zi)詢.