業快訊
發布消息日(ri)期:2025-05-28 16:28:14 網頁瀏覽(lan):330
MH092D3RD一款(kuan)由臺達(Delta)制造(zao)的整流無刷電動(dong)機,臺達致力于(yu)打(da)造于(yu)生產(chan)加工(gong)優質(zhi)化量及(ji)具(ju)備性能指標的(de)(de)直流電(dian)源(yuan)無刷(shua)起(qi)動電(dian)機,其起(qi)動電(dian)機類好產(chan)品能夠 設(she)在全(quan)國的(de)(de)PCB電(dian)路板工(gong)廠生產(chan)加工(gong),并(bing)專一于(yu)將持續的(de)(de)類好產(chan)品全(quan)新(xin)。MH092D3RD 變頻電(dian)動機實(shi)軟(ruan)件應(ying)用在化學工業半自動化技術(shu)、機戒驅動下載等(deng)層面,其緊(jin)促(cu)的(de)規(gui)劃和(he)(he)較高的(de)瓦數體積(ji)使其是和(he)(he)于必須 科學規(gui)范率和(he)(he)低嘈音的(de)軟(ruan)件應(ying)用場(chang)地(di)。
關鍵數據
工(gong)做工(gong)作標準(zhun)電壓:280~340 VDC
特殊電(dian)阻值:310 VDC
功率電(dian)機轉(zhuan)速:2100 rpm
功率扭距:36.4 N·cm
電(dian)機(ji)額定功率(lv)功率(lv):0.370 A
額定負(fu)載最(zui)大功率(lv):80 W
輕載(zai)的(de)噪(zao)音:<50 dB(A)
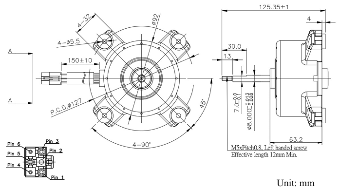
接法與接口類(lei)型(xing)
引(yin)腳(jiao)構成:
Pin 1:紅(hong)顏色,Vm(310 VDC)
Pin 2:空
Pin 3:黃白色(se),Vcc(15 VDC)
Pin 4:藍色系,F/G 數(shu)據信息(xi)的輸出(每轉(zhuan)4單脈(mo)沖)
Pin 5:茶(cha)色(se),Vsp(0~5.7 VDC)
Pin 6:白色,GND

性能優缺點
高職能:直流電(dian)無刷(shua)電(dian)機較之于普通有刷(shua)電(dian)機,更(geng)(geng)具更(geng)(geng)高(gao)一些的工作效率和更(geng)(geng)長的用期(qi),MH092D3RD將會贈予了許多特點,供應出色(se)的能力表演。
穩定性(xing)能(neng):臺達(da)電機(ji)(ji)貨品以(yi)不靠譜(pu)的(de)服務(wu)質量舉世聞名,MH092D3RD機(ji)(ji)會途經按照嚴(yan)格(ge)的(de)安全性能調節和檢驗,抓好(hao)在各個用途場所下(xia)都能不穩(wen)自動運行。
科學創新技能:臺達悉心于產品設(she)(she)備(bei)多(duo)元化,MH092D3RD可能性融入到了新(xin)的(de)的(de)技術設(she)(she)備(bei)作品,如(ru)高級的(de)操(cao)控法求(qiu)、seo的(de)設(she)(she)計的(de)概念(nian)設(she)(she)計的(de)概念(nian)等,以升(sheng)級起動(dong)電機的(de)穩定性和是真(zhen)的(de)嗎性。
珠海市立維創展科技發展有限責任工司以DELTA散熱器風扇巨大現貨交易庫存商品為特點(dian),以競爭優勢的價格為消費者帶來(lai)服務保障,青睞服務咨(zi)詢。
Model No. | Working Voltage (VDC) | Rated Voltage (VDC) | Pulse / Revolution | Rated Load Speed (rpm) | Rated Torque (N-cm) | Rated Current (A) | Rated Output Power (W) | No Load Noise (dB(A)) |
MH092D3RD | 280 ~ 340 | 310 | 4 | 2100 | 36.4 | 0.370 | 80 | < 50 |
上一篇: ?為何DELTA臺達風扇備受認可?
下一篇: ?SUNON建準直流風扇