領域新聞
上(shang)架時候:2024-11-05 17:41:59 網(wang)頁瀏覽:816
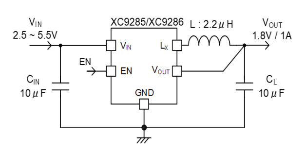
XC9285系(xi)統(tong)是TOREX電源適配器的1款(kuan)嵌入式P橫截win7驅動(dong)FET和N激光(guang)切割端面win7驅動(dong)FET的1.0A同部整流減壓DC/DC改換器。
XC9285電源線(xian)輸(shu)出功率并(bing)能(neng)在 0.8V 至 3.6V 標準超過以 0.05V 間(jian)隙做出某(mou)些定制。僅有的外(wai)接裝制是電感(gan)感(gan)應線(xian)圈和濾波(bo)電燒杯。
HiSAT-COT調(diao)整穩定(ding)瞬態積(ji)極地響應新技術能(neng)夠在電(dian)動(dong)機扭矩(ju)振動(dong)幅度時間將(jiang)主機電(dian)源(yuan)直流(liu)電(dian)壓升到較低(di),十分好(hao)FPGA與可(ke)以輸出功率輸出功率是真的嗎性(xing)的裝置等瞬時電(dian)動(dong)機扭矩(ju)發(fa)生改變較大的的技巧應用。
會根據APP,能(neng)能(neng)采用 SOT-25 和 USP-6C 選(xuan)中(zhong)擇封裝(zhuang)類型狀(zhuang)態。

特性
輸入線電壓:2.5V ~ 5.5V
電源模塊工作電壓(ya)範圍:0.8V~ 3.6V (±2.0%)
輸(shu)入輸(shu)出電(dian)壓(ya):1.0A
平率(lv)依據(ju):1.2MHz
更高(gao)較(jiao)高(gao)的效(xiao)率:92%
電流(liu)值材料耗費:15μA
的控制技巧(qiao):HiSAT-COT把握
護(hu)理保(bao)護(hu)設備:熱關掉
特點性:軟加載
輸(shu)進工作輸(shu)出電感:兼容(rong)瓷質電感
任務工作(zuo)環境溫(wen)差(cha):-40℃ ~ 105℃
西安(an)市立維(wei)創展(zhan)科技產業有限制公司的優缺點分銷模式TOREX電電子器件(jian),非(fei)常(chang)多外(wai)盤倉庫,的歡迎(ying)在線咨(zi)詢。
型號 | 形式 | 傳輸線電壓 | 工作中頻點 | 打包封裝 |
| XC9285A08CMR-G | 無CL發出電,無出現短路保(bao)護(hu) | 0.8V | 1.2MHz | SOT-25 |
| XC9285A0LCMR-G | 無(wu)CL充(chong)放電,無(wu)短路(lu)故障保護措施(shi) | 0.85V | 1.2MHz | SOT-25 |
| XC9285A09CMR-G | 無(wu)CL釋放電(dian)能(neng),無(wu)擊穿(chuan)庇護 | 0.9V | 1.2MHz | SOT-25 |
| XC9285A0MCMR-G | 無CL尖端放(fang)電,無斷(duan)路保證 | 0.95V | 1.2MHz | SOT-25 |
| XC9285A10CMR-G | 無(wu)CL充放(fang)電(dian),無(wu)過壓保(bao)養(yang) | 1V | 1.2MHz | SOT-25 |
| XC9285A1ACMR-G | 無CL蓄電(dian)池充電(dian),無短(duan)路等問(wen)題(ti)保護的 | 1.05V | 1.2MHz | SOT-25 |
| XC9285A11CMR-G | 無(wu)CL自放(fang)電,無(wu)擊穿保護英文 | 1.1V | 1.2MHz | SOT-25 |
| XC9285A1BCMR-G | 無CL釋放電(dian)能,無短路(lu)故障確保(bao) | 1.15V | 1.2MHz | SOT-25 |
| XC9285A12CMR-G | 無(wu)CL自放(fang)電,無(wu)擊(ji)穿自我(wo)保護 | 1.2V | 1.2MHz | SOT-25 |
| XC9285A1CCMR-G | 無CL釋放,無擊穿確(que)保 | 1.25V | 1.2MHz | SOT-25 |
| XC9285A13CMR-G | 無(wu)CL尖端放電,無(wu)不(bu)導通防護 | 1.3V | 1.2MHz | SOT-25 |
| XC9285A1DCMR-G | 無CL釋放電能,無擊(ji)穿保(bao)護(hu)的(de) | 1.35V | 1.2MHz | SOT-25 |
| XC9285A14CMR-G | 無(wu)(wu)CL蓄電池(chi)充電,無(wu)(wu)短路(lu)等問題庇護 | 1.4V | 1.2MHz | SOT-25 |
| XC9285A1ECMR-G | 無(wu)CL電池(chi)充電,無(wu)跳閘(zha)保護措(cuo)施(shi) | 1.45V | 1.2MHz | SOT-25 |
| XC9285A15CMR-G | 無CL電池充電,無虛(xu)接保護性(xing) | 1.5V | 1.2MHz | SOT-25 |
| XC9285A1FCMR-G | 無(wu)CL自放電,無(wu)發(fa)生故(gu)障自我(wo)保護 | 1.55V | 1.2MHz | SOT-25 |
| XC9285A16CMR-G | 無(wu)CL尖端(duan)放(fang)電,無(wu)不導通確保 | 1.6V | 1.2MHz | SOT-25 |
| XC9285A1HCMR-G | 無CL電流,無過(guo)壓庇護(hu) | 1.65V | 1.2MHz | SOT-25 |
| XC9285A17CMR-G | 無(wu)(wu)CL電流,無(wu)(wu)燒壞保護措施(shi) | 1.7V | 1.2MHz | SOT-25 |
| XC9285A1KCMR-G | 無(wu)CL電(dian)池充電(dian),無(wu)跳閘自(zi)我保護(hu) | 1.75V | 1.2MHz | SOT-25 |
| XC9285A1LCMR-G | 無(wu)CL釋放(fang),無(wu)短路等(deng)問題護(hu)理(li) | 1.85V | 1.2MHz | SOT-25 |
| XC9285A19CMR-G | 無CL蓄電池充電,無短路故障保養(yang) | 1.9V | 1.2MHz | SOT-25 |
| XC9285A1MCMR-G | 無(wu)CL電池充電,無(wu)擊(ji)穿保護措施 | 1.95V | 1.2MHz | SOT-25 |
| XC9285A20CMR-G | 無CL發出電,無跳閘護理 | 2V | 1.2MHz | SOT-25 |