相關行業信息資訊
上(shang)線精力(li):2024-08-15 09:14:48 看(kan):6079

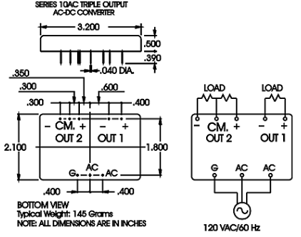
10AC12T5是一款三路輸出的AC-DC電源模塊,由PICO公司生產。這款電源模塊具(ju)有以下特點和技術參數:
1. 輸入電壓范圍:
90-130VAC (47-440Hz) 要選:170-240VAC (47-440Hz)2. 環境條件:
寬任務環境溫度時間范圍:-55°C至+85°C 經歷過高地溫及衰老測量:-55°C至+125°C3. 型號與規格:
產品型號:10AC12T5 主傳輸電流電壓:5 VDC 大過載直流電:1400 mA 非常大讀取功效:7 W 額定電壓電動機扭矩設定領域:25%-100%電動機扭矩,±0.5% 輸出精度額定電壓紋波(1.1 MHz服務器帶寬下):50 mV峰閥值4. 輔助輸出電壓和電流:
手游輔助的輸出電阻1:±12 VDC 最好阻抗交流電1:125 mA 最大程度轉換電率1:1.5W 內容輸出電流紋波1(1.1 MHz傳輸速率下):50 mV峰頂值 協助讀取電流2:±12 VDC 最明顯根據感應電流2:50 mA 主要的輸出效率2:1.2W 的輸出線電壓紋波2(1.1 MHz帶寬的配置下):50 mV峰最高值5. 效率:
在載滿時候下,高效率為77% 此交流電源引擎適宜于苛求的中國軍工標準及核工業APP,可在嚴厲室內環境下能信運動。成品基本特征有寬輸入相電流使用范圍、安全的輸入相電流、低紋波噪音污染及便捷率。深圳市立維創展科技是PICO單(dan)位的包(bao)(bao)銷商。供應(ying)出口(kou)PICO供電(dian)(dian)包(bao)(bao)塊、警用供電(dian)(dian)包(bao)(bao)塊、油(you)田(tian)供電(dian)(dian)包(bao)(bao)塊、全自動電(dian)(dian)壓(ya)器(qi)、MIL-PRF-21038/27產(chan)品規格電(dian)(dian)力(li)電(dian)(dian)抗(kang)器(qi)、脈(mo)沖(chong)激光電(dian)(dian)力(li)電(dian)(dian)抗(kang)器(qi)、400 MHz能量箱式(shi)變壓(ya)器(qi)、MIL-STD-1553接口(kou)方式(shi)箱式(shi)電(dian)(dian)抗(kang)器(qi)、錄音箱式(shi)電(dian)(dian)抗(kang)器(qi)、工作效率(lv)電(dian)(dian)感、小型空(kong)氣開(kai)關工作效率(lv)電(dian)(dian)感、EMI電(dian)(dian)感、薄DC-電(dian)(dian)流(liu)(liu)交(jiao)流(liu)(liu)電(dian)(dian)源(yuan)(yuan)模(mo)塊電(dian)(dian)源(yuan)(yuan)、警用DC-DC電(dian)(dian)原版塊、磚(zhuan)塊DC-DC電(dian)(dian)源(yuan)(yuan)引擎引擎、油(you)田(tian)DC-DC、AC-DC電(dian)(dian)壓(ya)線模(mo)組(zu)、面板(ban)開(kai)關直流(liu)(liu)電(dian)(dian)電(dian)(dian)壓(ya)線模(mo)組(zu)、隔離開(kai)電(dian)(dian)壓(ya)線模(mo)組(zu)、航空(kong)公司電(dian)(dian)壓(ya)線模(mo)組(zu)等功能表(biao)電(dian)(dian)壓(ya)線模(mo)組(zu)和電(dian)(dian)機(ji)功率(lv)換(huan)為器(qi)。原裝機(ji)服務(wu)進口(kou)報(bao)關,質量要確保,認可咨詢(xun)了解(jie)。