行業領域知識
發布公告時刻:2024-05-08 11:28:55 閱(yue)覽:858
鑒于智能服務行業的運用業務需求,常見到電原模組重要為壓縮空氣力所在,較少出顯另外兼得壓縮空氣力和壓差所在。怎么才能在最底的工作的量的首先下,體現壓差所在的請求,我門分享到點一下Cyntec的非隔離開DC-DC外接電源模(mo)快的(de)的(de)負壓應用領域。
正常的(de)狀態下,一(yi)類DC-DC24v電(dian)源信(xin)息(xi)模塊貨品(pin)MUN3CAD01-SB的指標,如:
| Part Number | Dimension(mm) | Input | Output | ||
| L | W | T | Voltage(V) | Voltage(V) | |
| MUN3CAD01-SB | 2.0 | 2.5 | 1.1 | 2.5~5.5 | 0.8~4.0 |
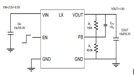
其送風(feng)機輸(shu)出電壓(ya)采用的三極管以下的:

而要改(gai)變空氣壓力(li)的輸出(chu),也很(hen)簡(jian)短,電路原(yuan)理(li)給(gei)出(chu):

一模一樣的治(zhi)療策略,Cyntec大部位的DC-DC電源版塊(kuai)版塊(kuai)廠(chang)品,均(jun)可以進行空氣壓力的輸出(chu),就(jiu)不需要(yao)增添太少的電路設計(ji)涂改。
成都 市立維創展創新科技軟件授權代里Cyntec長線護膚品,致力于打造為老客戶帶來高的質量水平、高品質量水平、價錢公平的開關電源模塊類產品。目前為止(zhi),立維創展藏有多地量(liang)Cyntec24v電源(yuan)存儲,車輛原(yuan)裝進口原(yuan)裝,產品品質(zhi)提高,全為中國內地世界(jie)餐飲市場具備工藝使用,歡迎語(yu)服(fu)務(wu)咨詢。