業最新資訊
上傳(chuan)時:2024-03-22 09:58:06 預覽:1062
PICOAT-SAT系統是防護式單路雙路導(dao)出DC-DC換為器(qi),夠在-25°C至+70°C的(de)寬氣溫位置內動態平(ping)衡本職工作(zuo),免附加的(de)水(shui)冷風冷散熱器(qi)或降(jiang)額(e)加工。同(tong)時,內部自帶的(de)導(dao)出電(dian)(dian)(dian)容(電(dian)(dian)(dian)儲罐)器(qi)和(he)三(san)個方便簡潔的(de)填寫電(dian)(dian)(dian)流(liu)電(dian)(dian)(dian)壓(ya)選擇項(3V、5V、9V、12V)有利于(yu)促進(jin)移動用戶(hu)還簡化控制電(dian)(dian)(dian)路設汁。

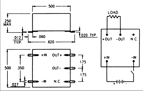
AT底視圖 SAT底視圖
PICO AT-SAT編(bian)能(neng)提供許多種規格(ge)選(xuan)定 ,每一種的(de)(de)規格(ge)都含有很低的(de)(de)直流(liu)(liu)(liu)工(gong)作(zuo)電流(liu)(liu)(liu)消費。的(de)(de)工(gong)作(zuo)輸出(chu)工(gong)作(zuo)電流(liu)(liu)(liu)為3.3-15V,明顯額(e)定負載(zai)直流(liu)(liu)(liu)工(gong)作(zuo)電流(liu)(liu)(liu)50-227mA,的(de)(de)工(gong)作(zuo)輸出(chu)效率獨角(jiao)獸高達0.75W,該轉化器應用(yong)半導體(ti)芯片(pian)超家(jia)庭型(xing)打包二極管封(feng)裝,打包二極管封(feng)裝長寬高為0.5”x0.5”x0.2”。
| 串聯AT-SAT單路輸出 | |||||||||||
| PICO 插件 部件 號 | PICO 表面 貼裝 零件 編號 | 輸入 電壓。 (V直流) | 輸出 電壓 (V直流) | 最大負載 電流 (mA) | 最大輸出 功率 (瓦) | 典型 值 ( % ) | 電流 典型 值(mA) | 輸出 電壓 紋波 @滿 載* (Vp-p max) | 空載 電流 (典型 值) (mA) | 電壓 容差 (V DC) | 價格 (美元) |
| 3AT3.3S 3AT5S 3AT5.2S 3AT9S 3AT12S 3AT15S | 3SAT3.3S 3SAT5S 3SAT5.2S 3SAT9S 3SAT12S 3SAT15S | 33 3 3 3 3 | 3.3 5 5.2 9 12 15 | 197 130 125 83 63 50 | 0.65 0.65 0.65 0.75 0.750.75 | 61 66 66 70 72 73 | 355 328 328 357 347342 | 0.20 0.20 0.20 0.20 0.20 0.20 | 35 35 35 3535 35 | ±0.20 ±0.25 ±0.25 ±0.30 ±0.40 ±0.40 | 115.98 115.98 115.98 115.98 115.98 |
| 5AT3.3S 5AT5S 5AT5.2S 5AT9S 5AT12S 5AT15S | 5SAT3.3S 5SAT5S 5SAT5.2S 5SAT9S 5SAT12S 5SAT15S | 55 5 55 5 | 3.3 5.2 9 12 15 | 227 150 144 83 63 50 | 0.75 0.75 0.75 0.75 0.750.75 | 64 69 69 72 75 76 | 234 217 217 208 200 197 | 0.20 0.20 0.20 0.20 0.20 0.20 | 25 25 25 2525 25 | ±0.20 ±0.25 ±0.25 ±0.30 ±0.40 ±0.40 | 115.98 115.98 115.98 115.98 115.98 |
| 9AT3.3S 9AT5S 9AT5.2S 9AT9S 9AT12S 9AT15S | 9SAT3.3S 9SAT5S 9SAT5.2S 9SAT9S 9SAT12S 9SAT15S | 99 9 99 9 | 3.3 5 5.2 9 12 15 | 227 150 144 83 63 50 | 0.75 0.75 075 0.75 0.750.75 | 65 70 7072 78 80 | 128 119 119 116 107 104 | 0.20 0.20 0.20 0.20 0.20 0.20 | 15 15 15 1515 15 | ±0.20 ±0.25 ±0.25 ±0.30 ±0.40 ±040 | 115.98 115.98 115.98 115.98 115.98 |
| 12AT3.3S 12AT5S 12AT5.2S 12AT9S 12AT12S 12AT15S | 12SAT3.3S 12SAT5S 12SAT5.2S 12SAT9S 12SAT12S 12SAT15S | 12 12 12 12 1212 | 3.3 5 5.2 9 12 15 | 227 150 144 83 63 50 | 0.75 0.75 0.75 0.75 0750.75 | 66 71 71 73 78 80 | 95 88 88 86 80 78 | 0.20 0.20 0.20 0.20 0.20 0.20 | 88 8 88 8 | ±0.20 ±0.25 ±0.25 ±0.30 ±040 ±0.40 | 115.98 115.98 11598 115.98 115.98 |
| 串聯 AT-SAT 雙輸出 | |||||||||||
| PICO 插件 部件 號 | PICO 表面 貼裝 零件 編號 | 輸入 電壓。 (V直流) | 輸出 電壓 (V直流) | 最大負載 電流 (mA) | 最大輸出 功率 (瓦) | 典型值 (%) | 電流 典型 值(mA) | 輸出 電壓 紋波 @滿 載* (Vp-p max) | 空載 電流 (典型 值) (mA) | 電壓 容差 (V DC) | 價格 (美元) |
| 3AT5D 3AT9D 3AT12D 3AT15D | 3SAT5D 3SAT9D 3SAT12D 3SAT15D | 33 3 3 | 59 12 15 | 65 41 31 25 | 0.325 0.375 0.375 0.375 | 66 70 72 73 | 328 357 347 342 | 0.20 0.20 0.20 0.20 | 35 35 35 35 | ±0.25 ±0.30 ±0.40 ±0.40 | 130.66 130.66 130.66 130.66 |
| 5AT5D 5AT9D 5AT12D 5AT15D | 5SAT5D 5SAT9D 5SAT12D 5SAT15D | 59 12 15 | 75 41 31 25 | 0.375 0.375 0.375 0.375 | 69 72 75 76 | 217 208 200 197 | 0.20 0.20 0.20 0.20 | 35 25 25 25 | ±0.25 ±0.30 ±0.40 ±0.40 | 130.66 130.66 130.66 130.66 | |
| 9AT5D 9AT9D 9AT12D 9AT15D | 9SAT5D 9SAT9D 9SAT12D 9SAT15D | 99 9 9 | 59 12 15 | 75 41 31 25 | 0.375 0.375 0.375 0.375 | 70 72 78 80 | 119 116 107 104 | 0.20 0.20 0.20 0.20 | 15 15 15 15 | ±0.25 ±0.3 ±0.40 ±0.40 | 130.66 130.66 130.66 130.66 |
| 12AT5D 12AT9D 12AT12D 12AT15D | 12SAT5D 12SAT9D 12SAT12D 12SAT15D | 12 12 12 12 | 59 12 15 | 75 41 31 25 | 0.375 0.375 0.375 0.375 | 71 78 78 80 | 88 86 80 78 | 0.20 0.20 0.20 0.20 | 8 8 8 | ±0.25 ±0.30 ±0.40 ±0.40 | 130.66 130.66 130.66 130.66 |
東莞市立維創展科持是PICO我司的分銷系統(tong)商。提拱進(jin)口PICO開關電(dian)(dian)(dian)(dian)壓(ya)(ya)輸(shu)出(chu)版塊(kuai)、軍(jun)用(yong)(yong)裝備開關電(dian)(dian)(dian)(dian)壓(ya)(ya)輸(shu)出(chu)版塊(kuai)、髙壓(ya)(ya)開關電(dian)(dian)(dian)(dian)壓(ya)(ya)輸(shu)出(chu)版塊(kuai)、家庭型低壓(ya)(ya)變壓(ya)(ya)器(qi)(qi)(qi)(qi)、MIL-PRF-21038/27技術參數(shu)(shu)電(dian)(dian)(dian)(dian)壓(ya)(ya)器(qi)(qi)(qi)(qi)、輸(shu)入脈沖(chong)電(dian)(dian)(dian)(dian)壓(ya)(ya)器(qi)(qi)(qi)(qi)、400 MHz能(neng)(neng)量箱(xiang)式變壓(ya)(ya)器(qi)(qi)(qi)(qi)、MIL-STD-1553數(shu)(shu)據接口電(dian)(dian)(dian)(dian)力電(dian)(dian)(dian)(dian)抗器(qi)(qi)(qi)(qi)、音響電(dian)(dian)(dian)(dian)力電(dian)(dian)(dian)(dian)抗器(qi)(qi)(qi)(qi)、瓦數(shu)(shu)電(dian)(dian)(dian)(dian)感(gan)、微信瓦數(shu)(shu)電(dian)(dian)(dian)(dian)感(gan)、EMI電(dian)(dian)(dian)(dian)感(gan)、薄(bo)DC-整流電(dian)(dian)(dian)(dian)源(yuan)(yuan)(yuan)功(gong)(gong)能(neng)(neng)模(mo)(mo)塊(kuai)功(gong)(gong)能(neng)(neng)模(mo)(mo)塊(kuai)、軍(jun)工用(yong)(yong)DC-DC電(dian)(dian)(dian)(dian)傳感(gan)器(qi)(qi)(qi)(qi)、磚塊(kuai)DC-DC供電(dian)(dian)(dian)(dian)模(mo)(mo)塊(kuai)電(dian)(dian)(dian)(dian)源(yuan)(yuan)(yuan)、高壓(ya)(ya)力DC-DC、AC-DC主(zhu)機開關24v電(dian)(dian)(dian)(dian)源(yuan)(yuan)(yuan)線適配(pei)器(qi)(qi)(qi)(qi)摸(mo)塊(kuai)、按鈕直流穩壓(ya)(ya)開關24v電(dian)(dian)(dian)(dian)源(yuan)(yuan)(yuan)線適配(pei)器(qi)(qi)(qi)(qi)主(zhu)機開關24v電(dian)(dian)(dian)(dian)源(yuan)(yuan)(yuan)線適配(pei)器(qi)(qi)(qi)(qi)摸(mo)塊(kuai)、防護隔離主(zhu)機開關24v電(dian)(dian)(dian)(dian)源(yuan)(yuan)(yuan)線適配(pei)器(qi)(qi)(qi)(qi)摸(mo)塊(kuai)、飛機維修(xiu)主(zhu)機開關24v電(dian)(dian)(dian)(dian)源(yuan)(yuan)(yuan)線適配(pei)器(qi)(qi)(qi)(qi)摸(mo)塊(kuai)等性(xing)能(neng)(neng)主(zhu)機開關24v電(dian)(dian)(dian)(dian)源(yuan)(yuan)(yuan)線適配(pei)器(qi)(qi)(qi)(qi)摸(mo)塊(kuai)和功(gong)(gong)效轉換成器(qi)(qi)(qi)(qi)。原裝機好產品(pin)進(jin)品(pin),重量切實保障,歡迎辭網絡咨詢。
詳情頁介紹PICO電壓組件請點一下://anchor-appliance.cn/brand/15.html