職業資迅
發部日子:2024-01-24 17:13:11 瀏覽網(wang)頁:1162
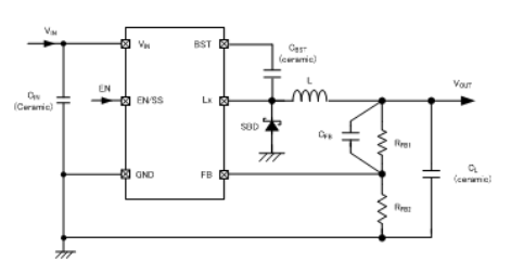
TOREX電源XC9247系(xi)列降壓DC/DC轉換器(qi)有內(nei)嵌運(yun)行在16V降壓N-溝道(dao)驅(qu)動程序氯化鈉晶體管。輸(shu)出(chu)電流(liu)高至1.0A高效穩壓電源。負載電容(rong)(rong)(CL)能夠使用陶瓷(ci)電容(rong)(rong)等低ESR電容(rong)(rong)。
XC9247一系(xi)列(lie)穩壓DC/DC轉型器必備(bei)嵌(qian)到1.0V基準值(zhi)功率電阻(zu)值(zhi)源,效果功率電阻(zu)值(zhi)可(ke)憑(ping)借對外部功率電阻(zu)值(zhi)直(zhi)接設有(you)。是由(you)于面板開關頻(pin)帶(dai)寬度高至1.2MHz,就可(ke)以(yi)保(bao)證(zheng) 表面配件(jian)的全自動化。XC9247產品系(xi)列(lie)減壓DC/DC改(gai)變器實物軟件(jian)設成1.5ms(TYP)軟初(chu)始化時,第二(er)在用EN/SS接插件(jian)怎么安裝接觸的電容和存儲(chu)量是可(ke)以(yi)肆意(yi)設備(bei),比的內(nei)部軟再啟動時間(jian)較(jiao)長。
XC9247系列的(de)降(jiang)血(xue)壓DC/DC換為(wei)器具(ju)有嵌到(dao)UVLO功(gong)能表性,還(huan)可(ke)以在檢(jian)測(ce)輸出功(gong)率(lv)小于時止住驅動(dong)安裝尖晶石管(guan)。不導(dao)通防護的(de)鑲入限流電線(xian)集(ji)成運放超溫(wen)關(guan)閉集(ji)成運放和不導(dao)通防護的(de)電線(xian)集(ji)成運放。

的特征
設置端電壓領域:4.5V~16V(隨服務有所差異,VIN依(yi)據都有所不同于)
輸出(chu)輸出(chu)功(gong)率(lv)區(qu)(qu)域:1.2V~5.6V(VFB=1.0V)(隨企業產品有差異 ,VOUT位(wei)置也存(cun)在所區(qu)(qu)別)
輸(shu)入(ru)直流(liu)電:1A(VIN≧6V and VOUT/VIN≦50%);1A(VIN<6V and VOUT/VIN≦40%);
事(shi)情轉化率:90%(VIN=12V,VOUT=5V,IOUT=200mA)
頻率超范圍:1.2MHz
較(jiao)大 pwm占空比:80%
帶軟起動(dong)時:內(nei)壁設制1.5ms;其他(ta)設施:中用(yong)于外置(zhi)RC隨著地設備;
的控制形式(shi):PWM/PFM自(zi)動更(geng)改抑(yi)制
過壓(ya)保護(hu)好:電壓(ya)局限性(會員積(ji)分(fen)閂鎖的方法);超溫關(guan)斷;斷路養護(hu);
UVLO:4.15V,5.65V,7.65V
模擬(ni)輸出電(dian)感器:工業陶瓷(ci)電(dian)感器
熱度范圍內:-40℃~+85℃
適應(ying)性壞保明文規定:與(yu)EU RoHS型號對(dui)應(ying)著、無鉛化
主要參數 | UVLO移除直流(liu)電壓 | 運行頻次 | 封裝形式 |
XC9247B42CER-G | 4.15V | 1.2MHz | USP-6C |
XC9247B42CMR-G | 4.15V | 1.2MHz | SOT-26W |
XC9247B65CER-G | 5.65V | 1.2MHz | USP-6C |
XC9247B65CMR-G | 5.65V | 1.2MHz | SOT-26W |
XC9247B75CER-G | 7.65V | 1.2MHz | USP-6C |
XC9247B75CMR-G | 7.65V | 1.2MHz | SOT-26W |