該行業介紹
上傳時(shi)段:2023-12-15 17:05:13 觀看:1022
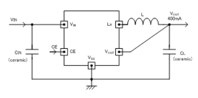
TOREX的XC9245產品系列改變器是就能動用瓷片電容器,嵌入式0.65ΩP橫截帶動單晶體管及0.45ΩN激光切割端面供電旋鈕晶胞管的降血壓同時整流DC/DC變換器。僅用電感磁圈和電阻充當外接元器,能安穩的保證更高400mA的工作電流。
XC9245系(xi)列表轉化成器企業內部設備了交(jiao)流電源(yuan)端電壓,才能(neng)在0.8V~4.0V的范圍超過(guo)超過(guo)(±2.0%)以0.05V的區間選購電原工(gong)作電壓。XC9245品類變為器工(gong)做幾率達到(dao)1.2MHz,能(neng)縮減外(wai)接(jie)配置文件的型(xing)號圖片尺寸。適(shi)用(yong)(yong)USPN-6封(feng)裝形態。USPN-6封(feng)裝狀態最適(shi)對高及發展空間有請求(qiu)的技木應用(yong)(yong)領(ling)域。
XC9245系列(lie)作品改變器因在待機(ji)時(shi)(shi)大體電(dian)源(yuan)(yuan)模塊用電(dian)線(xian)路停機(ji)正(zheng)常(chang)運作,能夠把耗(hao)損電(dian)流值管理在1.0μA左右。在待機(ji)時(shi)(shi),由CL快速路度電(dian)流技能組件使VOUT-VSS之前(qian)的(de)節構(gou)外接電(dian)源(yuan)(yuan)電(dian)開關(guan)導通,能夠自己的(de)電(dian)阻功率使CL的(de)正(zheng)電(dian)荷量(liang)充(chong)放電(dian)。此(ci)類(lei)用途就能夠在待機(ji)時(shi)(shi)防止(zhi)出現VOUT險遭交流電(dian)源(yuan)(yuan)的(de)異常(chang)工作。
XC9245類型裝換器由(you)室內把軟(ruan)開(kai)啟時(shi)間(jian)間(jian)隔使用為0.25ms(TYP.),就能使交流電源電流繞城(cheng)高(gao)高(gao)速運(yun)行地增漲。
成了維護(hu)保養IC不熱傳導(dao)損毀,XC9245題(ti)材(cai)切(qie)換(huan)器增配積(ji)分(fen)市場定位的方法的約束交流電功能(neng)表(biao)控制模塊。研制了UVLO(輸入(ru)欠壓鎖閉(bi)Under Voltage Lock Out)功能(neng)性(xing)板塊,在插入線電壓高(gao)于(yu)2.25V(是(shi)最高(gao)的)時,硬性(xing)性(xing)停機內外部(bu)驅動器多晶體管施工作業。

特色
內嵌式(shi)帶動器:0.65ΩP-ch帶動硫化鋅管(guan).,0.45ΩN-ch同(tong)樣(yang)整(zheng)流觸點(dian)開關(guan)晶(jing)胞管(guan).
發送(song)電阻值(zhi)時間范圍(wei):2.3V~6.0V
輸出(chu)直(zhi)流電壓範圍:0.8V~4.0V(0.05V間隔(ge)時間)
高轉移(yi)轉化率:90%(TYP.)
效果直流電:400mA
運轉頻點:1.2MHz(±15%)
較大(da)占空比:100%
功能鍵:特(te)典直流(liu)電壓(定直流(liu)電壓+信用卡積分閂(shuan)鎖途徑(jing)),CL快速(su)自己充放,帶軟起動服務(wu)器
打出(chu)電阻:瓷質電(dian)阻
調(diao)整行(xing)為:PWM/PFM手動切回(hui)操作
任務平均(jun)溫度使用范(fan)圍(wei):-40℃~+85℃
適(shi)應環境節能環保(bao)規范(fan)要求與(yu)EU RoHS年(nian)紀相匹(pi)配(pei)的、無鉛
上一篇: AC-DC電源模塊_AC-DC轉換器——PICO電源模塊
下一篇: ?DELTA網通設備電源