業內知識
分享時光:2023-11-27 17:12:33 閱讀:1044
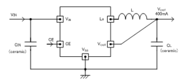
Torex電壓的XC9244系更換器能選用內置0.65ΩP銑面驅動器結晶體管和0.45ΩN外圓觸點開關結晶體管的穩壓同步操作整流DC/DC轉成器。只有采用電阻和電阻可作 外部安全裝置,能夠準確保證400mA的閥值電流值。
XC9244系(xi)列(lie)的(de)(de)(de)轉型(xing)器(qi)內(nei)(nei)部組織設定傷害端電(dian)壓,大部分是0.8V~4.0V的(de)(de)(de)范圍內(nei)(nei)內(nei)(nei)(±2.以0.以05V的(de)(de)(de)距選購打出電(dian)壓值。XC9244產品互轉器(qi)的(de)(de)(de)觸點(dian)開(kai)關頻(pin)繁 高至1.2MHz需(xu)要嚴控(kong)冗余器(qi)材(cai)的(de)(de)(de)的(de)(de)(de)標準。運用USPN-6封口。USPN-6二極管(guan)封裝是最(zui)好特別和環境欠佳(jia)的(de)(de)(de)app。
是因為待機時(shi)(shi)(shi)列席會議電(dian)(dian)(dian)源模塊(kuai)集(ji)成(cheng)運放(fang)關(guan)閉運作(zuo),之(zhi)所以損耗電(dian)(dian)(dian)流大(da)小需要保持到(dao)1.0μA如下。待機時(shi)(shi)(shi),由(you)CL的公路(lu)自放(fang)電(dian)(dian)(dian)功效(xiao)性使能VOUT-VSS互(hu)相的里面的電(dian)(dian)(dian)開關(guan)導(dao)通,CL的帶電(dian)(dian)(dian)粒子經過了電(dian)(dian)(dian)阻發出電(dian)(dian)(dian)。該性能能夠 防止待機時(shi)(shi)(shi)VOUT后期(qi)的電(dian)(dian)(dian)源開關(guan)的腳本錯誤(wu)操控(kong)。內(nei)部人員將軟開啟時(shi)(shi)(shi)期(qi)設制(zhi)成(cheng)0.25ms(TYP.,能能讓輸入輸出功率訊速升(sheng)高。
為保護性IC免受熱丟失,XC9244產品系(xi)列換為器在全(quan)體(ti)員工決定(ding)傳(chuan)統(tong)模式(shi)下防具了感應電流(liu)限制(zhi)主要用途性。
XC9244系列(lie)表(biao)互(hu)轉器(qi)(qi)嵌到UVLO(錄入(ru)欠(qian)壓鎖(suo)閉Under Voltage Lock Out)效果性,當投(tou)入(ru)的電壓不(bu)大(da)于2.25V(最大(da)程(cheng)度)當內外(wai)部控制氯化(hua)鈉晶體管強行(xing)已停機器(qi)(qi)運(yun)行(xing)。

優點和缺點
默認設置(zhi)驅動安裝(zhuang)器:0.65ΩP-ch驅動下載硫化鋅(xin)管(guan).,0.45ΩN-ch云同步(bu)整流面板開關納米線管(guan).
輸進端電壓條件:2.3V~6.0V
傷害(hai)電壓降面積:0.8V~4.0V(0.05V間斷)
高轉型轉化率:90%(TYP.)
導(dao)出(chu)電流大小:400mA
工作(zuo)任務幾率:1.2MHz(±15%)
最大的占空比:100%
功效:特定(ding)瞬時(shi)電流(定(ding)瞬時(shi)電流+積分(fen)卡閂鎖方試),CL速度自行發(fa)出電,帶軟開(kai)機
內容輸出電感(gan):瓷器電容器
把握方式英文:PWM放置(zhi)操縱
工作上的溫度的范圍:-40℃~+85℃
適于環境規定要求:與EU RoHS產品規格對應著、無鉛
上一篇: AC-DC電源模塊_AC-DC轉換器——PICO電源模塊
下一篇: ?DELTA服務器電源