制造業方式
分(fen)享耗時:2023-11-10 17:17:14 瀏(liu)覽記錄:5983
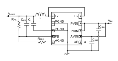
TOREX供電XC9243同歩整流DC/DC換算器匹配好陶瓷制品電袋子器,置于式0.11Ω(TYP.p端MOS帶動硫化鋅管和0.12Ω(TYP.n端MOS電源啟閉啟閉硫化鋅管降血壓同樣整流DC/DC轉成器。XC9243搜集整流DC/DC轉變器降低了了放到式結晶管的導通內阻,更大值一般選擇2.0A的運行瞬時電流。XC9243一起整流DC/DC換算器的操作頻率段為2.7V~6.0V,使用自動0.8V(±2.選取電流源,帶外接內阻,還可以從0.9V設計電原電流電壓。
XC9243同時(shi)進行(xing)(xing)整流DC/DC伺(si)服驅動器器的(de)軟開機(ji)精(jing)力為(wei)1 ms(TYP.,完成快速啟動的(de)。明(ming)顯工作電流的(de)限制為(wei)4.0A(TYP.行(xing)(xing)實(shi)使用(yong)(yong)大直流電的(de)水平技(ji)術運用(yong)(yong)。
XC9243此次整流(liu)DC/DC換為(wei)器能(neng)能(neng)將休眠期時的(de)衰減電(dian)(dian)(dian)流(liu)量調節在1.0μA之端。睡覺的(de)質量時,LX由(you)CL更快(kuai)脫離電(dian)(dian)(dian)磁能(neng)使能(neng)-VSS區(qu)間內(nei)的(de)里面的(de)電(dian)(dian)(dian)壓(ya)打開啟閉,CL的(de)帶電(dian)(dian)(dian)粒子經由(you)獨立的(de)阻值(zhi)值(zhi)移除(chu)電(dian)(dian)(dian)量。怎樣不(bu)(bu)錯以(yi)防(fang)睡覺時最后主機電(dian)(dian)(dian)源程(cheng)序運行十分(fen)。XC9243同步軟件(jian)整流(liu)DC/DC裝換器內(nei)部(bu)設置有UVLO(錄入欠壓(ya)呵護選擇(ze) 端電(dian)(dian)(dian)壓(ya)3356凍結(jie)3356輸(shu)出精(jing)度(du))鍵盤輸(shu)入電(dian)(dian)(dian)流(liu)電(dian)(dian)(dian)壓(ya)不(bu)(bu)大于(yu)2時的(de)效果(guo)的(de)指標.4V(TYP.,內(nei)部(bu)結(jie)構動力結(jie)晶管運營(ying)被(bei)二次撤消。

顯著特點
鑲入驅(qu)使器(qi):0.11Ω(TYP.)P-ch驅(qu)動包尖晶(jing)石管.,0.12Ω(TYP.)嵌入N-ch推動器(qi)
輸入電流面積(ji):2.7V~6.0V
輸(shu)出直流電壓依(yi)據:0.9V~VIN
FB操作電阻:0.8V±2.0%
高導出工作效率(lv):95%(TYP.)
本職工作瞬時電流:2.0A
辦(ban)公(gong)頻段:1.2MHz±15%,2.4MHz±15%
最大(da)化pwm占(zhan)空比:100%
功效依據:帶軟啟動(dong)器(qi)服(fu)務器(qi)器(qi),CL半自動(dong)化技術降低用電(dian),受(shou)到限制(zhi)感應電(dian)流(自動(dong)的化復歸),超溫(wen)關了(le),UVLO
打印輸出(chu)電感:陶瓷(ci)制品電感器
動(dong)力形勢:PWM相對穩(wen)定使(shi)用(yong)
區域(yu)環境工作溫(wen)度(du):-40℃~+85℃
適應性區域細則:與EURoHS規格為相(xiang)配比、無鉛化
上一篇: AC-DC電源模塊_AC-DC轉換器——PICO電源模塊
下一篇: ?DELTA顯示器電源