業信息資訊
發(fa)布了時刻:2023-10-25 17:07:43 看:994
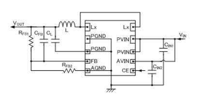
TOREX的XC9242產品是就能夠相關陶瓷圖片電容器,嵌到0.11Ω(TYP.)P銑面MOSwin7驅動納米線管及0.12Ω(TYP.)N激光切割端面MOS控制開關氯化鈉晶體管的穩壓數據同步整流DC/DC更換器。XC9242編DC/DC變為器縮減融入到結晶體管的導通電阻值,能優質率,相對穩定的給予最高的人2.0A的輸送電壓。工做頻次領域在2.7V~6.0V,在人體0.8V(±2.0%)的原則直流電壓源,用外接電阻功率能隨意的從0.9V設施工作輸出工作電壓。
XC9242(PWM遠程控(kong)制)還可以確(que)定1.2MHz和2.4MHz的面板開(kai)關(guan)幀率(lv)。軟發(fa)動用時在(zai)1ms(TYP.),達成怏速關(guan)掉(diao)。極限限制電壓為4.0A(TYP.),能(neng)適高電阻的使用。
XC9242系類DC/DC更換(huan)器在待(dai)機時(shi)夠(gou)把材料(liao)耗(hao)費電(dian)(dian)(dian)壓電(dian)(dian)(dian)流操作在1.0μA下例。在待(dai)機時(shi),由CL髙速尖端(duan)放(fang)電(dian)(dian)(dian)效果使(shi)LX-VSS之中的(de)成分開關按鈕導(dao)通(tong),用(yong)自身業務電(dian)(dian)(dian)阻值使(shi)CL的(de)正(zheng)電(dian)(dian)(dian)荷充(chong)放(fang)電(dian)(dian)(dian)。這能在待(dai)機時(shi)防(fang)止后面電(dian)(dian)(dian)源模(mo)塊的(de)不(bu)正(zheng)確的(de)實操。XC9242一系列(lie)DC/DC轉化成器原機UVLO(輸(shu)入欠壓開啟Under Voltage Lock Out)性能方面,在(zai)搜索輸出功率短于2.4V(TYP.)時,硬性地撤消室內win7驅動結晶體管(guan)工作(zuo)。

特征描(miao)述(shu)
嵌(qian)到驅動軟件(jian)器:0.11Ω(TYP.)P-ch控制結晶體管.,0.12Ω(TYP.)內嵌(qian)N-chwin7控制器
發(fa)送電流值范圍之(zhi)內:2.7V~6.0V
轉(zhuan)換交流(liu)電壓范(fan)圍圖:0.9V~VIN
FB電流:0.8V±2.0%
高(gao)換算速度:95%(TYP.)
傳輸感應電流:2.0A
幾率使用(yong)范圍:1.2MHz±15%,2.4MHz±15%
最大占空比:100%
性能(neng)指標:帶軟開機啟動,CL半自(zi)動蓄電池充電,減(jian)少功(gong)率(lv)(自(zi)然復(fu)歸),太熱(re)關斷(duan),UVLO
傳輸電(dian)感器:瓷磚電(dian)感器
行車制動(dong)器(qi)的方式:PWM放(fang)置(zhi)遠程操作
熱度超范圍:-40℃~+85℃
不適應(ying)綠(lv)色環保規定標準:與EURoHS金(jin)橋銅(tong)業跨(kua)接線的截面積大(da)小一定、無(wu)鉛化
TOREX半導體芯片主(zhu)要(yao)是展示COMS、感知(zhi)器、二級(ji)管等元器材,成品以小體積大(da)小、效能(neng)匠心而世界聞名(ming)。
河(he)南(nan)市立(li)維創展技(ji)術十分(fen)實(shi)業一(yi)区(qu)(qu)二区(qu)(qu)亚(ya)洲(zhou)-亚(ya)洲(zhou)国产一(yi)区(qu)(qu)二区(qu)(qu)三区(qu)(qu)-亚(ya)洲(zhou)一(yi)区(qu)(qu)在线播放-欧美午夜(ye)精品的,特(te)點渠道分(fen)銷(xiao)TOREX電源開關元器,更(geng)多現(xian)貨交易(yi)庫存管(guan)理,追(zhui)捧合作項(xiang)目。
詳細情況介紹TOREX請超鏈接://anchor-appliance.cn/brand/62.html
規(gui)格型(xing)號 | 選取電壓降(jiang) | 工做次(ci)數 | 封裝 |
XC9242B08CDR-G | 0.8V | 1.2MHz | USP-10B |
XC9242B08DDR-G | 0.8V | 2.4MHz | USP-10B |
上一篇: AC-DC電源模塊_AC-DC轉換器——PICO電源模塊
下一篇: ?DELTA工業電源