該行業介紹
頒布(bu)的時間:2023-08-30 16:39:49 查看:1672
TOREX的XC9224類型云同步整流降血壓DC/DC更換器,調試了0.21Ω(TYP.)P外圓驅使三級管和發送到整流0.23Ω(TYP.)N外圓電源開關元器件封裝。根據增多鑲入二極管的通斷特點電位差,能得到 高效益高率,相對比較可靠的,高至1.0A的電壓量。
因為按鈕頻(pin)繁高至(zhi)1MHz和2MHz,能考慮到小微(wei)型最大(da)功率(lv)電(dian)(dian)感。往往,XC9224系列產(chan)(chan)品穩(wen)壓(ya)(ya)DC/DC轉(zhuan)型器符合于(yu)有(you)局限(xian)高或(huo)者是要(yao)求不損壞空間的(de)運用。當(dang)電(dian)(dian)電(dian)(dian)流(liu)大(da)小量減(jian)少不同于(yu)如USB和AC支持器,集成電(dian)(dian)路芯片的(de)電(dian)(dian)流(liu)大(da)小量受到限(xian)制值行需要(yao)考慮1.5A(MIN.)當(dang)LIM管(guan)腳置高,還可能使用0.5A(MIN.)當(dang)LIM管(guan)腳置低。實現(xian)MODE/SYNC管(guan)腳,XC9224題材穩(wen)壓(ya)(ya)DC/DC換算(suan)器能夠(gou) 了解穩(wen)定可靠PWM調控的(de)方法也許定時確定限(xian)流(liu)PFM/PWM調控措施。要(yao)為解決按鈕開關(guan)嗓聲,XC9224產(chan)(chan)品系列減(jian)壓(ya)(ya)DC/DC換算(suan)器能借助MODE/SYNC管(guan)腳搜集冗(rong)余鬧(nao)鐘(zhong)信(xin)(xin)息,該鬧(nao)鐘(zhong)信(xin)(xin)息的(de)業(ye)務(wu)頻(pin)段是內部的(de)鬧(nao)鐘(zhong)信(xin)(xin)息的(de)±25%。
以便防止出(chu)(chu)現處理器(qi)(qi)被(bei)短路,XC9224系(xi)類穩壓DC/DC轉化器(qi)(qi)搭配了3種(zhong)確(que)(que)保控制系(xi)統:積分兌換確(que)(que)保,超溫關閉系(xi)統,過流確(que)(que)保。提(ti)供原(yuan)機UVLO(欠(qian)壓鎖閉)機械性(xing)能,當進(jin)入輸出(chu)(chu)功(gong)率調至(zhi)1.8V或更(geng)低(di)期(qi)間(jian),內部(bu)的(de)的(de)P外圓按鈕開關功(gong)率器(qi)(qi)件(jian)會被(bei)硬性(xing)性(xing)關閉系(xi)統。
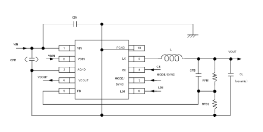
XC9224產品系列減(jian)壓DC/DC切換器能確認外置式內阻器查(cha)測同(tong)一(yi)電流(liu)值電流(liu)強度(du)。

的特征
做工(gong)作輸出功率依據:2.5V~6.0V
模(mo)擬輸出輸出功率范圍圖:0.9V~VIN(可實(shi)現0.8V[±2%]基準電流值和分壓電式阻自主調整)
操作(zuo)頻段:1MHz,2MHz(±15%)
模(mo)擬輸出交(jiao)流電:1.0A
更大(da)要求(qiu)瞬時(shi)電流:0.6A(MIN.)0.9A(MAX.)LIM接線(xian)鼻子(zi)=“L”;1.2A(MIN.)2.0A(MAX.)LIM接線(xian)端子(zi)排=“H”
控(kong)制(zhi)方式:PWM/PFM間接修(xiu)改(gai)把控(kong),關聯外(wai)邊鬧鐘電(dian)磁波
愛護控制電路:過(guo)高關斷,積分查詢閂鎖策(ce)略(三倍過(guo)電流量),斷路保(bao)證
帶軟(ruan)初(chu)始化:1ms(TYP.)
電壓降探測器 :0.712V在(zai)線(xian)檢測
TOREX半(ban)導體技(ji)術具體出示(shi)COMS、感應器(qi)器(qi)、電感等元零件封裝,產品的以(yi)小密度、耐熱性有遠見而(er)知名。
西安市立(li)維創展科技有局限單位有局限單位,的(de)優勢分(fen)銷模式TOREX電源線元器件,一大(da)批(pi)外盤(pan)存(cun)量,熱情接待合作的(de)。
具體詳情介紹TOREX請點://anchor-appliance.cn/brand/62.html
技(ji)術參數 | Type | Reference Voltage | Oscillation Frequency | Packages |
XC9224B081AR-G | Transistor built-in with current Limit | 0.8V | 1MHz | MSOP-10 |
XC9224B081DR-G | Transistor built-in with current Limit | 0.8V | 1MHz | USP-10B |
XC9224B082AR-G | Transistor built-in with current Limit | 0.8V | 2MHz | MSOP-10 |
XC9224B082DR-G | Transistor built-in with current Limit | 0.8V | 2MHz | USP-10B |