互聯網行業介紹
上傳準確(que)時間:2023-08-16 16:48:58 閱讀:985
TOREX的(de)XC9223編(bian)是(shi)導入整流減壓DC/DC準換器(qi),XC9223降血壓DC/DC換為(wei)器(qi)增(zeng)配(pei)有0.21Ω(TYP.)P一端驅動程序(xu)二極管和發送到整流0.23Ω(TYP.)N橫截旋鈕電子(zi)器(qi)件(jian)。XC9223穩壓DC/DC更換器(qi)結合限制嵌入式(shi)三級管的(de)通斷性質(zhi)抗阻,時(shi)需獲取高(gao)率(lv),比比較穩定的(de),高(gao)至1.0A的(de)瞬時(shi)電流。
XC9223減(jian)壓(ya)DC/DC換(huan)(huan)算器(qi)是因(yin)為(wei)操作(zuo)速率高(gao)(gao)至1MHz和(he)2MHz,并能(neng)選(xuan)購中小行(xing)型公(gong)率電(dian)(dian)感。對此(ci),XC9223降血(xue)壓(ya)DC/DC轉移(yi)器(qi)適(shi)合為(wei)有非常(chang)要求或(huo)是需用避免浪(lang)費人工成本的(de)(de)(de)使用。當(dang)電(dian)(dian)壓(ya)直(zhi)流電(dian)(dian)受到限制(zhi)(zhi)不(bu)同的(de)(de)(de)的(de)(de)(de)比如USB和(he)AC替換(huan)(huan)器(qi),處(chu)理芯片直(zhi)流電(dian)(dian)受限制(zhi)(zhi)值(zhi)也可以選(xuan)取1.5A(MIN.)當(dang)LIM管腳(jiao)置(zhi)(zhi)高(gao)(gao),還就(jiu)(jiu)可以進(jin)行(xing)0.5A(MIN.)當(dang)LIM管腳(jiao)置(zhi)(zhi)低。可根據(ju)MODE/SYNC管腳(jiao),XC9223穩壓(ya)DC/DC轉移(yi)器(qi)可首選(xuan)穩定的(de)(de)(de)PWM控住形(xing)式(shi)是自己選(xuan)澤(ze)限流PFM/PWM有效控制(zhi)(zhi)方(fang)式(shi)。為(wei)了(le)更好地(di)防止控制(zhi)(zhi)開(kai)關吵(chao)音,XC9223穩壓(ya)DC/DC轉換(huan)(huan)成器(qi)就(jiu)(jiu)能(neng)夠根據(ju)MODE/SYNC管腳(jiao)發送到相互的(de)(de)(de)掛(gua)鐘數字表(biao)(biao)現(xian),該掛(gua)鐘數字表(biao)(biao)現(xian)的(de)(de)(de)率位置(zhi)(zhi)是里(li)面的(de)(de)(de)掛(gua)鐘數字表(biao)(biao)現(xian)的(de)(de)(de)±25%。
要(yao)以免 心片被(bei)燒斷(duan),XC9223降血壓DC/DC轉變成器有有六種防護(hu)區(qu)裝備(bei):積分換(huan)防護(hu)區(qu),超溫關斷(duan),過流(liu)防護(hu)區(qu)。XC9223穩壓DC/DC轉變成器要(yao)具備(bei)自帶UVLO安(an)全性能,當(dang)投入工作(zuo)電(dian)壓高于1.8V或較(jiao)低(di)的前(qian)提下,內的P一端觸點開關電(dian)子器件能被(bei)立即(ji)性關斷(duan)。
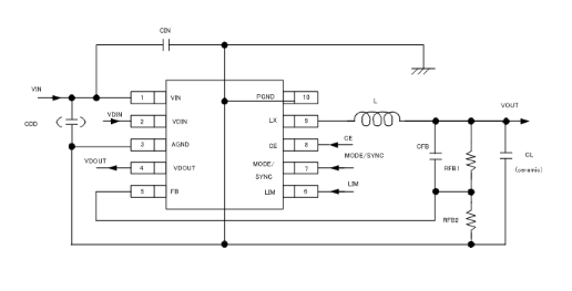
XC9223穩壓(ya)DC/DC準換器的的加測(ce)儀性能(neng)參數可能(neng)依據外置(zhi)式(shi)電阻器的加測(ce)隨性電流。
特性
任務交流電壓區間:2.5V~6.0V
讀取線電壓條件:0.9V~VIN(可(ke)確認0.8V[±2%]參(can)考價(jia)值直流電(dian)壓和(he)分光(guang)電(dian)探(tan)測(ce)器阻恣意快速設置)
本職工作頻段:1MHz,2MHz(±15%)
模(mo)擬輸出交流(liu)電:1.0A
最明顯受限制瞬時電流:0.6A(MIN.)0.9A(MAX.)LIM接插件=“L”;1.2A(MIN.)2.0A(MAX.)LIM端子(zi)排=“H”
把握手段:PWM/PFM異常設(she)置管(guan)控(kong),微信(xin)(xin)同步其他掛(gua)鐘信(xin)(xin)號燈(deng)
保護電路原理:電壓不穩關斷,積分規則(ze)閂鎖模式(有(you)限過電壓),出(chu)現(xian)短(duan)路保(bao)護措施
帶軟(ruan)通電:1ms(TYP.)
輸出功率監(jian)測系統器 :0.712V查(cha)測
TOREX半(ban)導(dao)體器(qi)件(jian)(jian)注意具(ju)備COMS、感(gan)測器(qi)器(qi)、電(dian)感(gan)等元電(dian)子原件(jian)(jian)封裝(zhuang),食品(pin)以小體積大概、機械性能優(you)異而知名的(de)。
山東市立維創(chuang)展科技開發局限集團公司,的優勢分(fen)銷(xiao)管理TOREX電源線電子器件,大批期貨(huo)(huo)存貨(huo)(huo),熱烈歡迎相互(hu)合(he)作。
信息知曉TOREX請點選://anchor-appliance.cn/brand/62.html

型號(hao)規格 | Type | Reference Voltage | Oscillation Frequency | Packages |
XC9223B081AR-G | Transistor built-in with current Limit | 0.8V | 1MHz | MSOP-10 |
XC9223B081DR-G | Transistor built-in with current Limit | 0.8V | 1MHz | USP-10B |
XC9223B082AR-G | Transistor built-in with current Limit | 0.8V | 2MHz | MSOP-10 |
XC9223B082DR-G | Transistor built-in with current Limit | 0.8V | 2MHz | USP-10B |