市場咨訊
發(fa)布消息時:2023-08-03 16:49:46 搜索(suo):6290
與離散輸出功率模塊電源相比較較,SILERGY矽力杰開關電源功能的體型才能減少了90%。SQ76002AQNC可能提高生存電感/濾波電容,不斷提升本職工作生產率,減輕信號燈失幀。SQ76002AQNC有著較差的散熱管抗干攏特性參數和三維立體封裝行駛特性參數,有著穩定的抗干攏本事。高頻振動模式和情況改變性強。
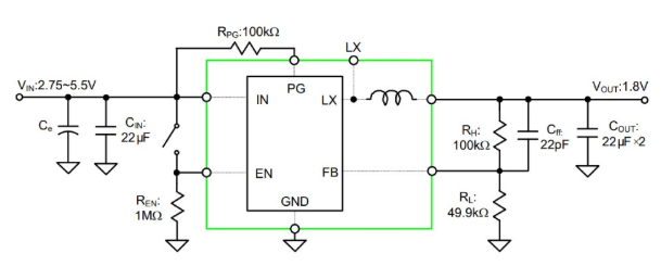
SQ76002AQNC應使用在一件3MHz、2A一起減壓(ya)電源穩(wen)(wen)壓(ya)器,SQ76002AQNC在個中(zhong)(zhong)微型打(da)包封裝(3.0mm×3.0mm,H=1.1mmmax)中(zhong)(zhong)ibms化(hua)電感和把控好集成塊。SQ76002AQNC高效(xiao)化(hua)率,3MHz,2A內置電感關(guan)聯穩(wen)(wen)壓(ya)交流穩(wen)(wen)壓(ya)器。

優點
內(nei)部(bu)結構打開(頂上/底端(duan))的低RDS(ON):40mΩ/20mΩ
2.75~5.5V進入輸出(chu)功率范疇
3MHz啟閉頻段較大(da)效率減掉了靜態集成電路芯片
內部人員(yuan)軟啟服務(wu)器束(shu)縛浪涌電壓
2A連(lian)續(xu)性導出電流(liu)值功效
關閉(bi)程序玩法需(xu)求<0.1μA供(gong)電(dian)工作(zuo)電(dian)流
100%Dropout方法
主(zhu)機(ji)電源穩定界面顯示燈
過流(liu)防護(hu)/欠壓(ya)重設/過溫保護(hu)英文
夠滿足(zu)RoHS規格且(qie)無鹵化
緊湊suv型封裝類(lei)型:QFN3×3-10
SILERGY(矽力杰)大部分出產供電處理器、供電方案等模擬仿真元件。因為SQ76002AQNC收費高,交貨長,股票市場高性價比pin to pin原位替換SQ76002AQNC,代替形號為:MUN3CAD03-SF,MUN3CAD03-SF科學規范DC/DC電壓控制器。在2.75V和5.5V復制粘貼電壓降區域內的短路電壓電流電壓電流高至3A。MUN3CAD03-SF電開關聲音頻率為3.0MHz,采取(qu)所提(ti)拱的引擎可(ke)保證 高至90%的能力。現貨黃金優勢可(ke)言市場價,喜愛質詢。
詳細情況熟知MUN3CAD03-SF請彈窗://anchor-appliance.cn/article/3099.html