職業房產資訊
發(fa)表日(ri)子(zi):2023-06-02 16:54:17 打開網頁:1569
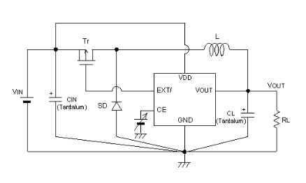
TOREX XC6366系列(lie)內嵌(qian)高速低通態電(dian)(dian)阻驅動(dong)器(qi)(qi)的(de)通用(yong)型高頻率降壓(ya)DC/DC控制器(qi)(qi)集成電(dian)(dian)路。應用(yong)晶體管,電(dian)(dian)感(gan)線圈(quan),二極管和(he)電(dian)(dian)容器(qi)(qi)共4種外(wai)接器(qi)(qi)件,可搭建(jian)輸出(chu)電(dian)(dian)流為1A之上高效化降壓(ya)DC/DC轉換器(qi)(qi)。
XC6366系穩壓DC/DC把控好器就可以(yi)在1.5V~6.0V(精高密度±2.5%)範圍(wei)之(zhi)間,以(yi)0.1V的(de)行距體現(xian)設(she)備(bei)(VOUT型)。還(huan)有,弄掉(diao)VOUT型外,還(huan)具備(bei)有內嵌式(shi)1.0V的(de)基點線電(dian)流(liu)值(zhi)源,才能外接集成電(dian)路芯片草率設(she)為導出(chu)線電(dian)流(liu)值(zhi)的(de)規模(mo)型號規模(mo)(FB型)。
因打開頻帶寬(kuan)度高至300kHz,應該動用小規模型外接元器(qi)(qi)件。XC6366編穩(wen)壓DC/DC設定(ding)器(qi)(qi)在小額定(ding)負(fu)載時,PWM/PFM更(geng)換(huan)設定(ding)型XC6366系以PFM活動結構(gou)類型去運轉。這(zhe)樣,在從載荷(he)到大模擬輸出直流電(dian)的(de)整(zheng)個載荷(he)區域之中,保持高效率的(de)化。
XC6366系類減壓DC/DC保持器軟發動時段(duan)段(duan)有(you),在環保設(she)備(bei)放置為(wei)10ms的技術參數品種(A,B型),簡述選用外接電阻值和濾(lv)波電袋(dai)子確定(ding)優(you)化(hua)方案的的款式(shi)年紀(C,D型)。
XC6366產品降血壓(ya)DC/DC控住器技術(shu)應用(yong)待機性能參數,可關閉(bi)正常(chang)運(yun)行使(shi)電(dian)壓(ya)量損耗費構建0.5μA下面(CE端"L")。
XC6366題材降(jiang)血壓(ya)DC/DC有效驅動器內嵌式(shi)UVLO效果,當復(fu)制粘貼(tie)交(jiao)流電(dian)端電(dian)壓(ya)在(zai)一般交(jiao)流電(dian)交(jiao)流電(dian)端電(dian)壓(ya)下時,會二(er)次性的把外接(jie)多晶(jing)體管截(jie)斷。
特征
讀取工作電壓區域(yu):2.2V~10V
傷害電流比率:1.5V~6.0V(0.1V距離(li)),±2.5%
操作頻(pin)率:300kHz±15%,客服訂制180,500kHz
輸出的交流電:1.0A(VIN=5.0V,VOUT=3.0V)
高轉型利用率(lv):92%(TYP.)
待機電專業(ye)流:ISTB=0.5μA(MAX.)
TOREX半(ban)導體行業基本給(gei)出COMS、傳紅外感應器(qi)器(qi)、整流(liu)二極管(guan)等元元器(qi),的產品以小體積大概、使用性(xing)能非凡而舉世聞名。
杭(hang)州市立(li)維創(chuang)展科學技術有限集團集團,勝機分銷(xiao)系統TOREX24v電源器材,大量現貨平臺(tai)庫存(cun)商(shang)品(pin),喜(xi)歡協作。
內容要了解TOREX請彈窗://anchor-appliance.cn/brand/62.html

應用 | Type | Output Voltage | Oscillation Frequency | Packages |
XC6366A152ER-G | VOUT type: internally set-up, Soft-start internally set-up | 1.5V | 180kHz | USP-6C |
XC6366A152MR-G | VOUT type: internally set-up, Soft-start internally set-up | 1.5V | 180kHz | SOT-25 |
XC6366A153ER-G | VOUT type: internally set-up, Soft-start internally set-up | 1.5V | 300kHz | USP-6C |
XC6366A153MR-G | VOUT type: internally set-up, Soft-start internally set-up | 1.5V | 300kHz | SOT-25 |
XC6366A155ER-G | VOUT type: internally set-up, Soft-start internally set-up | 1.5V | 500kHz | USP-6C |
XC6366A155MR-G | VOUT type: internally set-up, Soft-start internally set-up | 1.5V | 500kHz | SOT-25 |
XC6366A162ER-G | VOUT type: internally set-up, Soft-start internally set-up | 1.6V | 180kHz | USP-6C |
XC6366A162MR-G | VOUT type: internally set-up, Soft-start internally set-up | 1.6V | 180kHz | SOT-25 |
XC6366A163ER-G | VOUT type: internally set-up, Soft-start internally set-up | 1.6V | 300kHz | USP-6C |
XC6366A163MR-G | VOUT type: internally set-up, Soft-start internally set-up | 1.6V | 300kHz | SOT-25 |
XC6366A165ER-G | VOUT type: internally set-up, Soft-start internally set-up | 1.6V | 500kHz | USP-6C |
XC6366A165MR-G | VOUT type: internally set-up, Soft-start internally set-up | 1.6V | 500kHz | SOT-25 |
XC6366A172ER-G | VOUT type: internally set-up, Soft-start internally set-up | 1.7V | 180kHz | USP-6C |
XC6366A172MR-G | VOUT type: internally set-up, Soft-start internally set-up | 1.7V | 180kHz | SOT-25 |
XC6366A173ER-G | VOUT type: internally set-up, Soft-start internally set-up | 1.7V | 300kHz | USP-6C |
XC6366A173MR-G | VOUT type: internally set-up, Soft-start internally set-up | 1.7V | 300kHz | SOT-25 |
XC6366A175ER-G | VOUT type: internally set-up, Soft-start internally set-up | 1.7V | 500kHz | USP-6C |
XC6366A175MR-G | VOUT type: internally set-up, Soft-start internally set-up | 1.7V | 500kHz | SOT-25 |
XC6366A182ER-G | VOUT type: internally set-up, Soft-start internally set-up | 1.8V | 180kHz | USP-6C |
XC6366A182MR-G | VOUT type: internally set-up, Soft-start internally set-up | 1.8V | 180kHz | SOT-25 |
XC6366A183ER-G | VOUT type: internally set-up, Soft-start internally set-up | 1.8V | 300kHz | USP-6C |
XC6366A183MR-G | VOUT type: internally set-up, Soft-start internally set-up | 1.8V | 300kHz | SOT-25 |
XC6366A185ER-G | VOUT type: internally set-up, Soft-start internally set-up | 1.8V | 500kHz | USP-6C |
XC6366A185MR-G | VOUT type: internally set-up, Soft-start internally set-up | 1.8V | 500kHz | SOT-25 |
XC6366A192ER-G | VOUT type: internally set-up, Soft-start internally set-up | 1.9V | 180kHz | USP-6C |