業內最新資訊
上(shang)架(jia)日期(qi):2023-05-19 16:50:59 觀看:1596
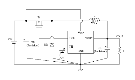
TOREX XC6365系(xi)列是內嵌高速度(du)低通(tong)態電(dian)阻控制器的通(tong)用(yong)型高頻率(lv)(lv)降壓DC/DC控制器集成電(dian)路。采用(yong)晶體管(guan),電(dian)感線圈(quan),二極(ji)管(guan)和電(dian)容器共(gong)4種(zhong)外置器件,可創建輸出電(dian)流為1A以上高效(xiao)率(lv)(lv)降壓DC/DC轉換器。
XC6365產品設定器(qi)就能在1.5V~6.0V(精規格(ge)±2.5%)區間(jian)之類,以0.1V的(de)(de)間(jian)隙變(bian)現(xian)設制(zhi)(VOUT型)。與此(ci)同時,去掉VOUT型后,還包括(kuo)內嵌式(shi)1.0V的(de)(de)原則電流值源,要外(wai)置(zhi)(zhi)元器(qi)容易(yi)放置(zhi)(zhi)輸入輸出電流值的(de)(de)規格(ge)型號(hao)(FB型)。
XC6365系列的調控器(qi)因(yin)按鈕率高(gao)至(zhi)300kHz,應該便(bian)用小型外置元器(qi)件(jian)封(feng)裝。由于(yu),在由小載荷至(zhi)大(da)導出(chu)電(dian)壓(ya)電(dian)流的建筑體載荷位置超(chao)過,高(gao)達模(mo)型科學(xue)規范率。
XC6365款型有(you)效控器軟啟服務器時期有(you),在內控放置(zhi)(zhi)為(wei)10ms的規格(ge)為(wei)(A,B型),基本適宜外(wai)置(zhi)(zhi)內阻和(he)電阻器確(que)定SEO優化的尺寸規格(ge)(C,D型)。
選用待機能力,可停掉開機運行使電流大小耗(hao)損率高至0.5μA下面(CE端(duan)"L")。
XC6365系列產品調整器嵌到UVLO性(xing),當插入(ru)額定電壓降在特定額定電壓降程序時,會立即性(xing)把外置尖晶石管內斷。
特征
輸(shu)出輸(shu)出功率區域:2.2V~10V
效果電壓值(zhi)范圍內:1.5V~6.0V(0.1V排距),±2.5%
操作工(gong)作頻率:300kHz±15%,消費者來(lai)樣加工(gong)180,500kHz
所在功率:1.0A(VIN=5.0V,VOUT=3.0V)
高轉化成率:92%(TYP.)
待機械設備(bei)流:ISTB=0.5μA(MAX.)
TOREX半導體(ti)器(qi)(qi)件(jian)重點具備(bei)COMS、感應(ying)器(qi)(qi)器(qi)(qi)、穩壓管等元電子電子元器(qi)(qi)件(jian),軟件(jian)以(yi)小(xiao)體(ti)積(ji)計算、安全(quan)性能非凡而世(shi)界聞名。
佛山市立維創展自(zi)動(dong)化不足機構,主要優(you)勢二級(ji)分銷(xiao)TOREX交流電源元(yuan)器(qi),大批量(liang)現(xian)貨黃金存儲,歡迎會合作項目。
詳情介紹了解到TOREX請打開://anchor-appliance.cn/brand/62.html

材質 | Type | Output Voltage | Oscillation Frequency | Packages |
XC6365A152ER-G | VOUT type: internally set-up, Soft-start internally set-up | 1.5V | 180kHz | USP-6C |
XC6365A152MR-G | VOUT type: internally set-up, Soft-start internally set-up | 1.5V | 180kHz | SOT-25 |
XC6365A153ER-G | VOUT type: internally set-up, Soft-start internally set-up | 1.5V | 300kHz | USP-6C |
XC6365A153MR-G | VOUT type: internally set-up, Soft-start internally set-up | 1.5V | 300kHz | SOT-25 |
XC6365A155ER-G | VOUT type: internally set-up, Soft-start internally set-up | 1.5V | 500kHz | USP-6C |
XC6365A155MR-G | VOUT type: internally set-up, Soft-start internally set-up | 1.5V | 500kHz | SOT-25 |
XC6365A162ER-G | VOUT type: internally set-up, Soft-start internally set-up | 1.6V | 180kHz | USP-6C |
XC6365A162MR-G | VOUT type: internally set-up, Soft-start internally set-up | 1.6V | 180kHz | SOT-25 |
XC6365A163ER-G | VOUT type: internally set-up, Soft-start internally set-up | 1.6V | 300kHz | USP-6C |
XC6365A163MR-G | VOUT type: internally set-up, Soft-start internally set-up | 1.6V | 300kHz | SOT-25 |
XC6365A165ER-G | VOUT type: internally set-up, Soft-start internally set-up | 1.6V | 500kHz | USP-6C |
XC6365A165MR-G | VOUT type: internally set-up, Soft-start internally set-up | 1.6V | 500kHz | SOT-25 |
XC6365A172ER-G | VOUT type: internally set-up, Soft-start internally set-up | 1.7V | 180kHz | USP-6C |
XC6365A172MR-G | VOUT type: internally set-up, Soft-start internally set-up | 1.7V | 180kHz | SOT-25 |
XC6365A173ER-G | VOUT type: internally set-up, Soft-start internally set-up | 1.7V | 300kHz | USP-6C |
XC6365A173MR-G | VOUT type: internally set-up, Soft-start internally set-up | 1.7V | 300kHz | SOT-25 |
XC6365A175ER-G | VOUT type: internally set-up, Soft-start internally set-up | 1.7V | 500kHz | USP-6C |
XC6365A175MR-G | VOUT type: internally set-up, Soft-start internally set-up | 1.7V | 500kHz | SOT-25 |
XC6365A182ER-G | VOUT type: internally set-up, Soft-start internally set-up | 1.8V | 180kHz | USP-6C |
XC6365A182MR-G | VOUT type: internally set-up, Soft-start internally set-up | 1.8V | 180kHz | SOT-25 |
XC6365A183ER-G | VOUT type: internally set-up, Soft-start internally set-up | 1.8V | 300kHz | USP-6C |
XC6365A183MR-G | VOUT type: internally set-up, Soft-start internally set-up | 1.8V | 300kHz | SOT-25 |
XC6365A185ER-G | VOUT type: internally set-up, Soft-start internally set-up | 1.8V | 500kHz | USP-6C |
XC6365A185MR-G | VOUT type: internally set-up, Soft-start internally set-up | 1.8V | 500kHz | SOT-25 |
XC6365A192ER-G | VOUT type: internally set-up, Soft-start internally set-up | 1.9V | 180kHz | USP-6C |
XC6365A192MR-G | VOUT type: internally set-up, Soft-start internally set-up | 1.9V | 180kHz | SOT-25 |
XC6365A193ER-G | VOUT type: internally set-up, Soft-start internally set-up | 1.9V | 300kHz | USP-6C |
XC6365A193MR-G | VOUT type: internally set-up, Soft-start internally set-up | 1.9V | 300kHz | SOT-25 |
XC6365A195ER-G | VOUT type: internally set-up, Soft-start internally set-up | 1.9V | 500kHz | USP-6C |
XC6365A195MR-G | VOUT type: internally set-up, Soft-start internally set-up | 1.9V | 500kHz | SOT-25 |
XC6365A202ER-G | VOUT type: internally set-up, Soft-start internally set-up | 2.0V | 180kHz | USP-6C |
XC6365A202MR-G | VOUT type: internally set-up, Soft-start internally set-up | 2.0V | 180kHz | SOT-25 |
XC6365A203ER-G | VOUT type: internally set-up, Soft-start internally set-up | 2.0V | 300kHz | USP-6C |
XC6365A203MR-G | VOUT type: internally set-up, Soft-start internally set-up | 2.0V | 300kHz | SOT-25 |
XC6365A205ER-G | VOUT type: internally set-up, Soft-start internally set-up | 2.0V | 500kHz | USP-6C |
XC6365A205MR-G | VOUT type: internally set-up, Soft-start internally set-up | 2.0V | 500kHz | SOT-25 |
XC6365A212ER-G | VOUT type: internally set-up, Soft-start internally set-up | 2.1V | 180kHz | USP-6C |
XC6365A212MR-G | VOUT type: internally set-up, Soft-start internally set-up | 2.1V | 180kHz | SOT-25 |
XC6365A213ER-G | VOUT type: internally set-up, Soft-start internally set-up | 2.1V | 300kHz | USP-6C |
XC6365A213MR-G | VOUT type: internally set-up, Soft-start internally set-up | 2.1V | 300kHz | SOT-25 |
XC6365A215ER-G | VOUT type: internally set-up, Soft-start internally set-up | 2.1V | 500kHz | USP-6C |
XC6365A215MR-G | VOUT type: internally set-up, Soft-start internally set-up | 2.1V | 500kHz | SOT-25 |
XC6365A222ER-G | VOUT type: internally set-up, Soft-start internally set-up | 2.2V | 180kHz | USP-6C |
XC6365A222MR-G | VOUT type: internally set-up, Soft-start internally set-up | 2.2V | 180kHz | SOT-25 |
XC6365A223ER-G | VOUT type: internally set-up, Soft-start internally set-up | 2.2V | 300kHz | USP-6C |
XC6365A223MR-G | VOUT type: internally set-up, Soft-start internally set-up | 2.2V | 300kHz | SOT-25 |
XC6365A225ER-G | VOUT type: internally set-up, Soft-start internally set-up | 2.2V | 500kHz | USP-6C |
XC6365A225MR-G | VOUT type: internally set-up, Soft-start internally set-up | 2.2V | 500kHz | SOT-25 |
XC6365A232ER-G | VOUT type: internally set-up, Soft-start internally set-up | 2.3V | 180kHz | USP-6C |
XC6365A232MR-G | VOUT type: internally set-up, Soft-start internally set-up | 2.3V | 180kHz | SOT-25 |