制造業新聞
推送時(shi)刻:2022-05-12 16:34:31 訪問 :2068
某一市(shi)場的(de)(de)上TI的(de)(de)原料(liao)TPS82130、TPS82140、TPS82150過(guo)剩,從而導致產品線商(shang)產品報價(jia)益價(jia)高出50倍,IC的(de)(de)起初的(de)(de)作(zuo)用已(yi)然(ran)被(bei)偏斜。誠然(ran)TI的(de)(de)原料(liao)品性沒(mei)法刻薄,被(bei)全球最(zui)大客服(fu)大力支持,該如何解決處理這么窘境(jing),臺(tai)達Cyntec擇機入憲了(le)pin to pin原位代換(huan)細則(ze)。
類型 | 填寫電壓電流 | 輸出電壓電流 | 感應電流 |
TPS82130 | 3~17V | 0.9~6V | 3A |
TPS82140 | 3~17V | 0.9~6V | 2A |
TPS82150 | 3~17V | 0.9~6V | 1A |
TPSM82903 | 3~17V | 0.4~5.5V | 3A |
一個超小型POL電源開關功能模塊,量小,僅為3.0mm x 2.8mm x 1.5mm,集成DC-DC處理芯片、電感,較大地細化了雇主設計構思,同樣可能展示更優EMI特征參數。

而Cyntec的原位替代產品 MUN12CAD03-SEC , 以完全不用改動PCB,并且以超低的紋波特性,被廣泛應用于儀表、通信、服務器等領域。
1. 規格對(dui)比分(fen)析(xi)
尺寸 | 的尺寸 | 插入電阻 | 導出電壓電流 | 直流電 | Vfb |
TPS82130 | 2.8*3.0*1.5mm | 4.5~17.0V | 0.9~6.0V | 3A | 0.8V |
MUN12AD03-SEC | 2.8*3.0*1.5mm | 4.5~17.0V | 0.8~5.5V | 3A | 0.6V |
2. 轉換利用指點:
(1)TPS82130是用內部人員直流電壓值鉗位抑制加載前幾天的輸入直流電壓值斜率,來應對過大的浪涌電流量并確保安全生產受控(kong)的輸(shu)入輸(shu)出電(dian)(dian)(dian)壓降升高(gao)(gao)(gao)時(shi)長。當(dang) EN引腳(jiao)被拉(la)高(gao)(gao)(gao)時(shi),元(yuan)(yuan)電(dian)(dian)(dian)子元(yuan)(yuan)件封(feng)裝(zhuang)會(hui)在 55μs(典型案例(li)值(zhi)(zhi)(zhi))的網絡延(yan)遲后現(xian)在開始打(da)開,還有(you)打(da)印輸(shu)入的工(gong)(gong)作(zuo)的電(dian)(dian)(dian)阻(zu)(zu)值(zhi)(zhi)(zhi)值(zhi)(zhi)(zhi)以由無(wu)線無(wu)線連接到 SS/TR 引腳(jiao)的表面電(dian)(dian)(dian)儲(chu)罐(guan)器抑制的斜率回落。經(jing)過(guo)便用至(zhi)關(guan)小(xiao)的電(dian)(dian)(dian)儲(chu)罐(guan)器或(huo)使 SS/TR 引腳(jiao)沒有(you)支撐,可(ke)改(gai)變最慢的再發(fa)動(dong)日期(qi)。TPS82130 都可(ke)以再發(fa)動(dong)至(zhi)預偏置(zhi)打(da)印輸(shu)入的電(dian)(dian)(dian)儲(chu)罐(guan)器。在預偏置(zhi)再發(fa)動(dong)這(zhe)段(duan)時(shi)間內,在內控(kong)人員工(gong)(gong)作(zuo)的電(dian)(dian)(dian)阻(zu)(zu)值(zhi)(zhi)(zhi)值(zhi)(zhi)(zhi)鉗位(wei)將(jiang)打(da)印輸(shu)入的工(gong)(gong)作(zuo)的電(dian)(dian)(dian)阻(zu)(zu)值(zhi)(zhi)(zhi)值(zhi)(zhi)(zhi)設置(zhi)為高(gao)(gao)(gao)出預偏置(zhi)工(gong)(gong)作(zuo)的電(dian)(dian)(dian)阻(zu)(zu)值(zhi)(zhi)(zhi)值(zhi)(zhi)(zhi)過(guo)后,兩個(ge)人額(e)定功率 MOSFET 是沒辦法關(guan)掉。當(dang)元(yuan)(yuan)電(dian)(dian)(dian)子元(yuan)(yuan)件封(feng)裝(zhuang)是關(guan)斷、欠(qian)壓自動(dong)隱藏(zang)或(huo)熱(re)關(guan)斷形態時(shi),無(wu)線無(wu)線連接到 SS/TR 引腳(jiao)的電(dian)(dian)(dian)儲(chu)罐(guan)器由內控(kong)人員電(dian)(dian)(dian)阻(zu)(zu)值(zhi)(zhi)(zhi)器電(dian)(dian)(dian)池充(chong)電(dian)(dian)(dian)。從等形態回退會(hui)導(dao)至(zhi)新(xin)的再發(fa)動(dong)回文序列。
是因為MUN12AD03-SEC的SS軟(ruan)重新啟動與TPS82130有之間(jian)的關(guan)系(xi),MUN12AD03-SEC不(bu)須(xu)(xu)要(yao)在這種轉換端接的L22電(dian)感/磁珠,則須(xu)(xu)要(yao)確(que)保上電(dian)時序。決定性工式方式:

(2)TPS82130與MUN12AD03-SEC的(de)運行紋波測試圖片(pian)畢(bi)竟有以下幾(ji)點

臺達的(de)軟件(jian)高(gao)質(zhi)量,也(ye)可以徹(che)底無法高(gao)的(de)精密度的(de)24v電源符(fu)合要求。
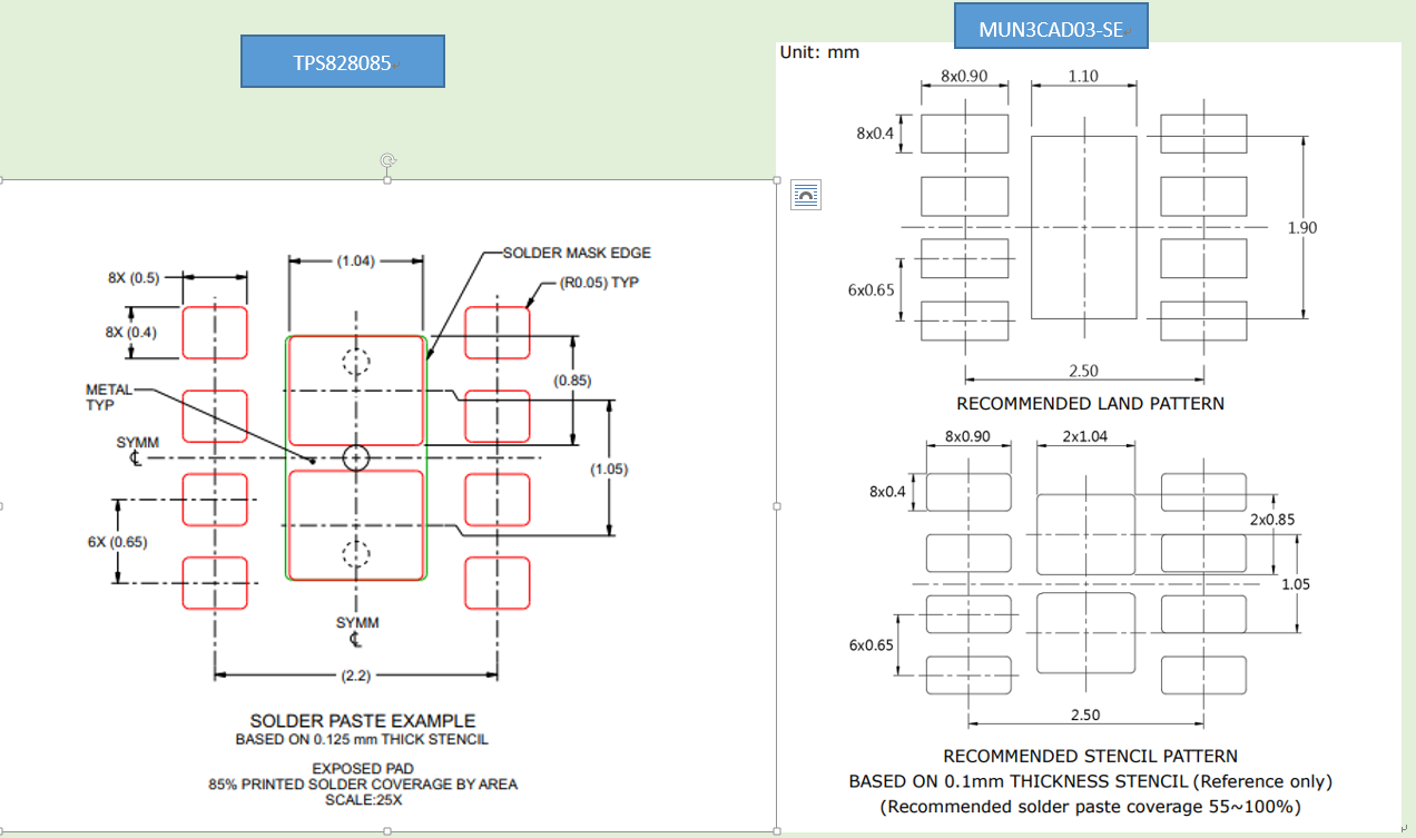
3. 商品的貼片繁瑣流(liu)程(cheng)提前(qian)準備特別注意:
TI的原輔料鋼網尺寸太小,從而導致鋼網過錫量不粗壯。鋼板厚度太大了,這類狀況如分類Cyntec的氣溫Reflow,則會造成錫料增大率太高出現斷層或空洞。即內似不上錫的情形。則提議從TPS82130轉換打來的貼片 ,還更新換代這(zhe)位SMT鋼(gang)網 。
杭州市立維創展科技一区(qu)二(er)区(qu)亚洲(zhou)-亚洲(zhou)国(guo)产(chan)一区(qu)二(er)区(qu)三区(qu)-亚洲(zhou)一区(qu)在(zai)线播放-欧(ou)美午(wu)夜精品(pin)(pin)受(shou)權經銷Cyntec全面護膚品(pin)(pin),全力為買家供(gong)(gong)應高的(de)車輛品(pin)(pin)質、高品(pin)(pin)水平(ping)、多少錢司法公正的(de)電源接(jie)(jie)口接(jie)(jie)口護膚品(pin)(pin)。護膚品(pin)(pin)原廠進出(chu)口,水平(ping)保證質量(liang),作為我國的(de)世界茶葉市場供(gong)(gong)應方法扶持,青睞了解。
情況認識Cyntec請點(dian)擊事(shi)件://anchor-appliance.cn/brand/16.html