企業最新資訊
頒布周期:2019-12-11 15:18:47 瀏覽網頁(ye):2813
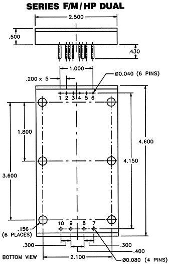
HPD48D油田大(da)公率定頻24v電源輸出模塊一款PICO的HPD系(xi)列(lie)大(da)功率DC-DC互轉器,可提高200-380VDC的寬進入交流電流,與此同時控制導出安全穩定,都具有局面的過交流電流、溫度過熱和重復擊穿保護的作用。
HPD48D換算器按照(zhao)雙(shuang)隔離開導(dao)入輸出,具(ju)有著(zhu)發生故障保(bao)證的、導(dao)入的電壓(ya)保(bao)證的和溫度表溫度過(guo)高(gao)一(yi)鍵停用(yong)、無需外設應用程序(xu)的(de)高(gao)壓線路調準和電流(liu)調準、新西蘭組裝流(liu)水線的(de)高(gao)導熱(re)系數(shu)優質率方案,兼有Pico品性和配(pei)件會選擇,使它不錯(cuo)符合嚴查格的(de)商(shang)業性(xing)條件。

HPD48D其最(zui)典型的的特點:
頻次: 100 Khtz
工(gong)作任(ren)務溫:0℃ - +85℃
檢驗狀(zhuang)態: 25℃區域環境
隔(ge)絕國家標準發送(song): 2121 VDC
隔離基點傳輸: 1000 VDC
要進行隔(ge)離導入傷害: 4242 VDC
存儲器的溫度(du): -55℃至+105℃
HPD48D關鍵性(xing)因素:
寬鍵盤輸入交流電壓200~380Vdc
高相對密度最大功率100W
輸出精(jing)度電(dian)流值3.3~100V
鎖住頻率100KHz
PCB板載二極管封裝
雙入口隔離(li)防曬保證
上海(hai)市立維(wei)創展科(ke)技(ji)創新是PICO司代銷商(shang)(shang)加(jia)盟商(shang)(shang)商(shang)(shang),具(ju)體供給PICO產(chan)品(pin)的電(dian)(dian)(dian)(dian)(dian)功(gong)能(neng)引擎、軍品(pin)電(dian)(dian)(dian)(dian)(dian)功(gong)能(neng)引擎、直流(liu)高壓(ya)(ya)(ya)(ya)電(dian)(dian)(dian)(dian)(dian)功(gong)能(neng)引擎、小(xiao)規(gui)模低壓(ya)(ya)(ya)(ya)變壓(ya)(ya)(ya)(ya)器(qi)(qi)(qi)(qi)(qi)、MIL-PRF-21038/27標電(dian)(dian)(dian)(dian)(dian)壓(ya)(ya)(ya)(ya)器(qi)(qi)(qi)(qi)(qi)、脈(mo)沖(chong)造成的電(dian)(dian)(dian)(dian)(dian)壓(ya)(ya)(ya)(ya)器(qi)(qi)(qi)(qi)(qi)、400MHz電(dian)(dian)(dian)(dian)(dian)功(gong)率(lv)配(pei)電(dian)(dian)(dian)(dian)(dian)變壓(ya)(ya)(ya)(ya)器(qi)(qi)(qi)(qi)(qi)、MIL-STD-1553界面配(pei)電(dian)(dian)(dian)(dian)(dian)電(dian)(dian)(dian)(dian)(dian)力變壓(ya)(ya)(ya)(ya)器(qi)(qi)(qi)(qi)(qi)、語音配(pei)電(dian)(dian)(dian)(dian)(dian)電(dian)(dian)(dian)(dian)(dian)力變壓(ya)(ya)(ya)(ya)器(qi)(qi)(qi)(qi)(qi)、熱(re)效(xiao)率(lv)電(dian)(dian)(dian)(dian)(dian)紅(hong)外(wai)感應器(qi)(qi)(qi)(qi)(qi)、小(xiao)形熱(re)效(xiao)率(lv)電(dian)(dian)(dian)(dian)(dian)感、EMI電(dian)(dian)(dian)(dian)(dian)傳感器(qi)(qi)(qi)(qi)(qi)、薄型(xing)DC-DC供電(dian)(dian)(dian)(dian)(dian)板(ban)塊、警用DC-DC交流(liu)電(dian)(dian)(dian)(dian)(dian)源(yuan)(yuan)組件、磚型(xing)DC-DC電(dian)(dian)(dian)(dian)(dian)原(yuan)版(ban)塊、高壓(ya)(ya)(ya)(ya)變壓(ya)(ya)(ya)(ya)器(qi)(qi)(qi)(qi)(qi)DC-DC電(dian)(dian)(dian)(dian)(dian)功(gong)能(neng)模塊、AC-DC電(dian)(dian)(dian)(dian)(dian)原(yuan)模組、座談(tan)會-直流(liu)電(dian)(dian)(dian)(dian)(dian)主機(ji)(ji)(ji)開(kai)關(guan)交流(liu)電(dian)(dian)(dian)(dian)(dian)源(yuan)(yuan)開(kai)關(guan)適(shi)(shi)(shi)配(pei)器(qi)(qi)(qi)(qi)(qi)效(xiao)果(guo)(guo)(guo)摸(mo)塊、防曬隔離霜主機(ji)(ji)(ji)開(kai)關(guan)交流(liu)電(dian)(dian)(dian)(dian)(dian)源(yuan)(yuan)開(kai)關(guan)適(shi)(shi)(shi)配(pei)器(qi)(qi)(qi)(qi)(qi)效(xiao)果(guo)(guo)(guo)摸(mo)塊、航空公司主機(ji)(ji)(ji)開(kai)關(guan)交流(liu)電(dian)(dian)(dian)(dian)(dian)源(yuan)(yuan)開(kai)關(guan)適(shi)(shi)(shi)配(pei)器(qi)(qi)(qi)(qi)(qi)效(xiao)果(guo)(guo)(guo)摸(mo)塊等多個(ge)效(xiao)果(guo)(guo)(guo)主機(ji)(ji)(ji)開(kai)關(guan)交流(liu)電(dian)(dian)(dian)(dian)(dian)源(yuan)(yuan)開(kai)關(guan)適(shi)(shi)(shi)配(pei)器(qi)(qi)(qi)(qi)(qi)效(xiao)果(guo)(guo)(guo)摸(mo)塊及主機(ji)(ji)(ji)開(kai)關(guan)交流(liu)電(dian)(dian)(dian)(dian)(dian)源(yuan)(yuan)開(kai)關(guan)適(shi)(shi)(shi)配(pei)器(qi)(qi)(qi)(qi)(qi)準(zhun)換器(qi)(qi)(qi)(qi)(qi)。歡(huan)迎大(da)家咨(zi)詢了解