2kw相電壓交流活動AC-DC交流電原電原功能模塊帶PFC_新西蘭PICO交流電原電原功能模塊HPHA2
發(fa)部時間:2019-01-25 11:23:22 搜素:3310
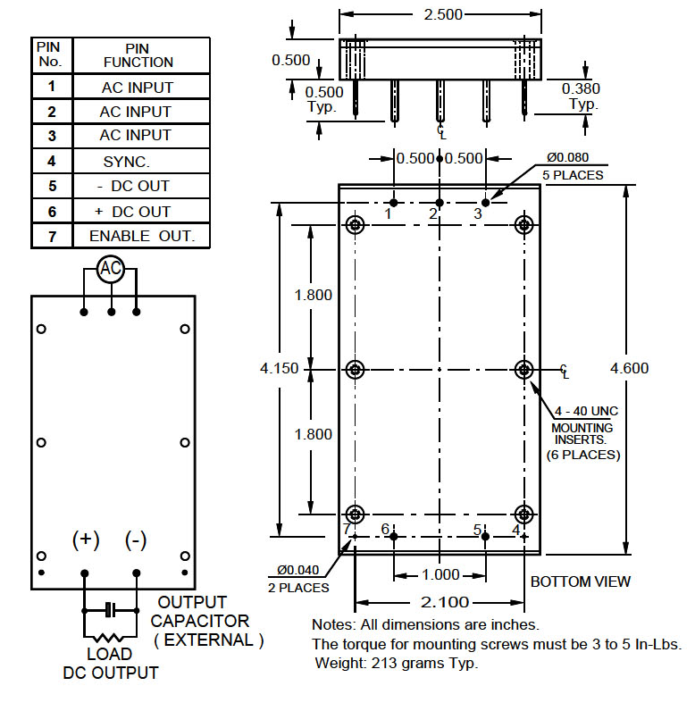
PICO的(de)2kw單相電(dian)聊天AC-DC供(gong)電(dian)摸塊HPHA2是適用(yong)(yong)人群于(yu)單相電(dian)或單相電(dian)輸入/直流電(dian)源輸出的(de)用(yong)(yong)的(de)通用(yong)(yong)版聊天電(dian)的(de)帶PFC比較好前邊。標(biao)淮2.5“x 4.6”x 0.5“尺寸(cun)圖是階(jie)段市面(mian) 上效率(lv)區域(yu)較小的(de)尺寸(cun)圖中之一。能能提(ti)供(gong)365V穩(wen)壓(ya)交流電(dian)傷(shang)害,能夠用(yong)(yong)作PICO FD / MD / LFD / LMD /的(de)自動(dong)化測試LPD / PD和(he)HPD類別DC-DC轉型器可能能提(ti)供(gong)3.3V至(zhi)300V DC。因此(ci),更多(duo)繳光(guang)和(he)變頻電(dian)動(dong)機應運都能夠以會使用(yong)(yong)的(de)HPHA2的(de)365V DC傷(shang)害。面(mian)對多(duo)種的(de)傷(shang)害本(ben)(ben)職工(gong)(gong)作電(dian)壓(ya)和(he)拓張的(de)本(ben)(ben)職工(gong)(gong)作室溫,請咨詢服務我們(men)都。
|
品牌
|
型號
|
貨期
|
庫存
|
|
PICO
|
HPHA2
|
1周
|
500
|
|
如若您需要購HPHA2,請點擊右側客服聯系我們!!!
|
特性成(cheng)效(xiao):
-
復合EN / IEC 61000-3-2規范要求
-
實用插入輸出功(gong)率(lv)(47至440Hz)(85至250V AC)或(huo)208V AC±20%。線(xian)對線(xian)單相搜索標準規定
-
導(dao)出(chu)工(gong)作功率: 2000W(以每(mei)伏0.5%的(de)速(su)率單位從220V AC高(gao)于170V AC)
-
工(gong)率質(zhi)因數: 0.99(從50%到100%FL)
-
數據同步引腳:對(dui)待須得(de)此次操(cao)作的(de)系統(tong),都可以用100 KHz的(de)此次操(cao)作數(shu)據。
-
使用引腳:代替處理(li)Pico DC-DC轉化器訪問(wen),昨(zuo)天HPHA2的(de)(de)(de)輸出(chu)(chu)(chu)在能(neng)(neng)接(jie)受(shou)(shou)(shou)的(de)(de)(de)規(gui)定(ding)標(biao)(biao)準內(nei)。直觀銜接(jie)到PICO的(de)(de)(de)LP / P / HP DC-DC板(ban)塊(kuai)的(de)(de)(de)關斷引(yin)腳,使能(neng)(neng)引(yin)腳將(jiang)穩定(ding)DC-DC板(ban)塊(kuai)開起,是直到HPHA2的(de)(de)(de)的(de)(de)(de)輸出(chu)(chu)(chu)在能(neng)(neng)接(jie)受(shou)(shou)(shou)的(de)(de)(de)規(gui)定(ding)標(biao)(biao)準內(nei)。這(zhe)樣(yang)DC-DC控制模塊(kuai)請稍(shao)等出(chu)(chu)(chu)示(shi)(shi)重額(e)定(ding)負載,這(zhe)后果著這(zhe)將(jiang)不能(neng)(neng)接(jie)受(shou)(shou)(shou)DC-DC更換器在<300伏輸入時使用,各舉(ju)HPHA2必定(ding)出(chu)(chu)(chu)示(shi)(shi)I =電源線(xian)/ Vout的(de)(de)(de)電流量。
-
轉(zhuan)化率: 90%或(huo)(huo)極高(從170到250V AC或(huo)(huo)三相電讀取(qu)最窄95%)
詳(xiang)細高壓電器標準(zhun):
特別(bie)注意:穩壓365V電(dian)流輸出精度可(ke)之(zhi)間使(shi)用(yong)于(yu)更多電(dian)動(dong)機,智能機械和之(zhi)間推(tui)動(dong)運用(yong)。
-
普(pu)通插入相電壓(47至440 Hz): 85至250V AC。
-
還要注意: 關于(yu)110 / 220V AC運作,時請連結(jie)“AC3”接線端子排。
-
降額輸出(chu)額定(ding)功(gong)率達不到220V AC(參看上(shang)面(mian)的“輸入輸出最大功率”)
-
我們對不低于60 Hz的率,效率質因數將降低了大約。請諒解特有規范要求,請了解和咨詢車間。
-
為榮獲適宜能力(li),提案的(de)使(shi)用(yong)170至250V AC。(110V AC復制(zhi)粘貼的(de)類型使(shi)用(yong)率為90%,220V AC復制(zhi)粘貼的(de)類型使(shi)用(yong)率為95%)
-
三相電源(yuan)設置(zhi): 208V AC±20%線對線三相電(dian)機(ji)填(tian)寫
-
打(da)印輸出瓦數(shu):比較大2000瓦@ 220V AC。將傷害最(zui)大化(hua)瓦數從220 VAC平滑減低0.5%/ Volt至170 VAC(最(zui)大化(hua)最(zui)大化(hua)瓦數@ 170 VAC輸入= 1,500 W)。110 VAC最(zui)好1,000瓦。將效(xiao)(xiao)果工作效(xiao)(xiao)率(lv)(lv)從110VaX規則化(hua)降(jiang)低了1.2%/ Volt至85 VAC(最(zui)好工作效(xiao)(xiao)率(lv)(lv)@ 85 VAC輸入= 700瓦)。
-
過載(zai)時的(de)傳輸電壓(ya)值容差: ±2%
-
任務規(gui)律(lv): 100KHz
-
工作上溫度表: 0oC至(zhi)+85oC基鋼(gang)板,不用額定容(rong)量效率。
-
的需求的效果濾波電容:最好是(shi)在(zai)2000W時(shi)為1.5m F至1200μF。這(zhe)將 保障(zhang)紋(wen)波電壓(ya)電流超過(guo)10Vpp。 請參閱某個熱效率電平,錢路頻率或Vpp紋波的計數公式。
-
注重: 須(xu)要銜接內(nei)容(rong)輸(shu)出(chu)電(dian)感或磨損電(dian)。
-
隔開:
-
復制粘貼到讀取:無
插入/模擬輸出不懈板:2121V DC
-
過載改善: (10%至100%電流±3%)
-
熱(re)關斷: 90至100oC底板
-
發生故障護理: HPHA2要有一名與輸入串聯和并聯的15安(an)培快擊穿穩妥絲(si)。
-
體重: 7.2盎司(231克)關(guan)鍵
2kw三相交流AC-DC電源模塊結構圖
